PARTS & DRAWINGS
VAN RC Part Information
Maintenance Info:
| Service Interval | Full Service 125 Hours |
| 803-00-122 | Kit: Rebuild, DHX, VAN R, VAN RC |
| 803-00-805 | Kit: Shaft Clamps, Shocks, CTD 9mm, 3/8in, 1/2in, 5/8in |
| 398-00-280 | Tooling: Eyelet Torque Tool |
Oil Information:
| 025-02-008 | Oil: AM, FOX Suspension Fluid [32 oz.], 10 WT Green |
IFP Information:
| IFP Pressure (All Sizes) | 300 PSI (+/- 10psi) |
| Shock sizes | IFP Depth (all measurements +/- 0.05in) |
| 7.50 x 2.00 | 1.38 |
| 7.875 x 2.00 | 1.38 |
| 7.875 x 2.25 | 1.38 |
| 8.50 x 2.50 | 1.38 |
| 8.750 x 2.500 | 1.38 |
| 8.750 x 2.750 | 1.38 |
| 9.500 x 3.000 | 1.38 |
| 10.500 X 3.500 | 1.55 |
2019 VAN RC Part Information
Size Specific Parts:
| Shock Size | Body | Shaft | Rebound Rod |
| 7.5 x 2.0 in | 204-68-204 | 229-38-004 | 210-19-015-A |
| 7.875 x 2.0 in | 204-68-202 | 229-38-004 | 210-19-015-A |
| 7.875 x 2.25 in | 204-68-203 | 229-38-003 | 210-19-016-A |
| 8.5 x 2.5 in | 204-68-200 | 229-38-002 | 210-19-017-A |
| 8.5 x 2.5 in Strut-Mount | 204-68-207 | 229-38-002 | 210-19-017-A |
| 8.75 x 2.75 in | 204-68-200 | 229-38-000 | 210-19-018-A |
| 9.5 x 3.0 in | 204-68-201 | 229-38-001 | 210-19-020-A |
| 10.5 x 3.5 in | 204-68-206 | 229-38-006 | 210-19-021 |
Decals:
| PN | Description |
| 024-02-915 | Decal: 2017 P-S Van, Resy |
Assembly Drawing:
Eyelet Assemblies:
- 804-12-008-KIT Body Cap Assy: Piggyback, 2011 VAN RC [1.070 Bore, Ø .500 Shaft]
- 808-14-067-KIT Eyelet Assy: Shaft, RD Adj [Ø .500 Shaft, .825 OD X 1.463 TLG] Black Ano III
Damper Subassemblies:
- 805-00-027-KIT Piston Assembly: Floating [Ø 1.070 Bore, 0.325 TLG]
- 805-02-015-KIT Piston Assy: Damping, RD Adj, 09 VAN R [.940 Bore, .295 TLG] w/ Glyde Ring
- 807-64-018-KIT Valving Assy: 2011 VAN R_RC, CM, RM
- 807-64-020-KIT Valving Assy: 2011 VAN R_RC, CL, RM
- 807-64-023-KIT Valving Assy: 2011 VAN R_RC, CL, RL
- 807-64-029-KIT Valving Assy: 2012 VAN R_RC [1.070 Bore, .252 ID] ECSVRC001
- 807-64-034-KIT Valving Assy: 2015 VAN R/RC, CF4, RM
- 812-06-034-KIT Bearing Assembly: Buna-N O-Ring, [Ø 1.070 Bore, 1.125-18 UNEF-2B, 0.975 TLG]
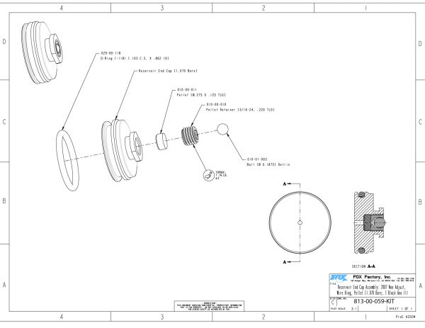
- 813-00-059-KIT Reservoir End Cap Assembly: 2007 Non Adjust, Wire Ring, Pellet [1.070 Bore, ] Black Ano III
- 815-02-015-KIT Damping Adj Assy: 2011 VAN RC

























