PARTS & DRAWINGS
FLOAT Part Information
No Changes for MY26:
Maintenance Information:
| Service Interval | Full Service 125 hours |
| 803-01-727 | Seal Kit: 2022 FLOAT X/Bomber Air and 2024 Float, Air Sleeve |
| 803-01-992 | Seal Kit: 2024 Float Damper Rebuild Kit |
| 803-00-806 | Kit: Tooling, iCD/CTD Dish Shock Dial Indicator Attachment for Plate Lift Measurement |
| 803-00-805 | Kit: Shaft Clamps, Shocks, CTD 9mm, 3/8in, 1/2in, 5/8in |
| 398-00-280 | Tooling: Eyelet Torque Tool |
| 398-00-951 | Tooling: Torque Fixture, 54mm Trunnion Eyelet, Tall |
| 398-00-949 | Tooling: Custom Spanner Socket, 3 pin, 2024 Float LV, Lockout Piston |
| 398-00-950 | Tooling: Custom Socket, 5/8", 2024 Float LV, Piston Bolt |
| 803-04-055 | Kit: Tooling: Rear Shock, Air Fill Adaptor Assembly, 2024 |
| 803-01-697 | Kit: Tooling, 2022 FLOAT X & DHX, Piston Band Sizer |
Air Volume Tuning Information:
| 803-01-938 | Kit: 2024 FLOAT, Air Volume Tuning Kit |
Oil Information:
| Damper Oil | 025-03-061 | Oil: Suspension Fluid, 4 WT, 202 Liter Drum, [FRS UOM = 1.0 Gallon / FTW UOM = 1.0 Liter] |
| 025-03-064 | Oil: Suspension Fluid, 4 WT, 23L | |
| 025-03-063 | Oil: Suspension Fluid, 4 WT, 1.0 Liter Bottle | |
| Air Chamber | 025-03-071 | Oil: FOX 20 WT Gold, T22238, 55 Gallon Drum, [FRS UOM = 1.00 Gallon / FTW UOM = 1.00 Liter] |
| 025-03-073 | Oil: AM, FOX 20 WT Gold, T22238, 23L | |
| 025-03-072 | Oil: AM, FOX 20 WT Gold, T22238, 32 oz |
IFP Information:
| IFP Pressure: | 550psi |
| Size | IFP Height (all measurements +/- .020in) |
| 165(T) x 45 | 2.175in/ 55.25mm |
| 190 x 45 | 2.175in/ 55.25mm |
| 185(T) x 55 | 2.530in/ 64.26mm |
| 210 x 55 | 2.530in/ 64.26mm |
2025 FLOAT Part Information:
Size Specific Parts:
| Shock Size | Metering Rod | Shaft | Compression Rod | Ano Air Sleeve | Ano Body | Kashima Air Sleeve | Kashima Body |
| 165 x 40 mm | 210-84-171 | 230-45-301 | 210-26-081 | 806-29-801-KIT | 209-95-201 | 806-29-811-KIT | 209-95-301 |
| 165 x 42.5 mm | 210-84-171 | 230-45-301 | 210-26-081 | 806-29-801-KIT | 209-95-201 | 806-29-811-KIT | 209-95-301 |
| 165 x 45 mm | 210-84-171 | 230-45-301 | 210-26-081 | 806-29-801-KIT | 209-95-201 | 806-29-811-KIT | 209-95-301 |
| 185 x 50 mm | 210-84-172 | 230-45-302 | 210-26-082 | 806-29-805-KIT | 209-95-202 | 806-29-815-KIT | 209-95-302 |
| 185 x 52.5 mm | 210-84-172 | 230-45-302 | 210-26-082 | 806-29-805-KIT | 209-95-202 | 806-29-815-KIT | 209-95-302 |
| 185 x 55 mm | 210-84-172 | 230-45-302 | 210-26-082 | 806-29-805-KIT | 209-95-202 | 806-29-815-KIT | 209-95-302 |
| 190 x 40 mm | 210-84-171 | 230-45-301 | 210-26-081 | 806-29-801-KIT | 209-95-201 | 806-29-811-KIT | 209-95-301 |
| 190 X 42.5 mm | 210-84-171 | 230-45-301 | 210-26-081 | 806-29-801-KIT | 209-95-201 | 806-29-811-KIT | 209-95-301 |
| 190 x 45 mm | 210-84-171 | 230-45-301 | 210-26-081 | 806-29-801-KIT | 209-95-201 | 806-29-811-KIT | 209-95-301 |
| 205 x 60 mm | 210-84-173 | 230-45-303 | 210-26-083 | 806-29-806-KIT | 209-95-203 | 806-29-816-KIT | 209-95-303 |
| 205 x 65 mm | 210-84-173 | 230-45-303 | 210-26-083 | 806-29-806-KIT | 209-95-203 | 806-29-816-KIT | 209-95-303 |
| 210 x 50 mm | 210-84-172 | 230-45-302 | 210-26-082 | 806-29-805-KIT | 209-95-202 | 806-29-815-KIT | 209-95-302 |
| 210 x 52.5 mm | 210-84-172 | 230-45-302 | 210-26-082 | 806-29-805-KIT | 209-95-202 | 806-29-815-KIT | 209-95-302 |
| 210 x 55 mm | 210-84-172 | 230-45-302 | 210-26-082 | 806-29-805-KIT | 209-95-202 | 806-29-815-KIT | 209-95-302 |
| 230 x 60 mm | 210-84-173 | 230-45-303 | 210-26-083 | 806-29-806-KIT | 209-95-203 | 806-29-816-KIT | 209-95-303 |
Eyelet Assemblies:
| 808-17-478-KIT | Service Set: Eyelet Assy: 2024, Float, 2pos-Adj, LV, Standard (F-S/P-Se) |
| 808-17-482-KIT | Service Set: Eyelet Assy: 2024, Float, 2pos, LV (P-S) |
| 808-17-479-KIT | Service Set: Eyelet Assy: 2024, Float, 2pos-Adj, LV, Trunnion |
| 808-17-483-KIT | Service Set: Eyelet Assy: 2024, Float, 2pos, LV, Trunnion |
| 808-17-494-KIT | Service Set: Eyelet Assy: 2024, Float, PTU, 2-Pos, Remote Up |
| 808-17-490-KIT | Service Set: Eyelet Assy: 2024, Float, PTL, 2-Pos, Remote Up |
| 808-17-492-KIT | Service Set: Eyelet Assy: 2024, Float, Trunnion, PTL, 2-Pos, Remote Up |
| 808-17-496-KIT | Service Set: Eyelet Assy: 2024, Float, Trunnion, PTU, 2-Pos, Remote Up |
Valving Assembly:
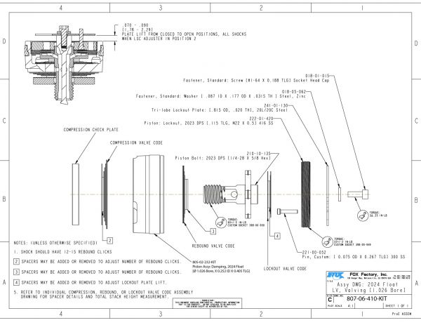
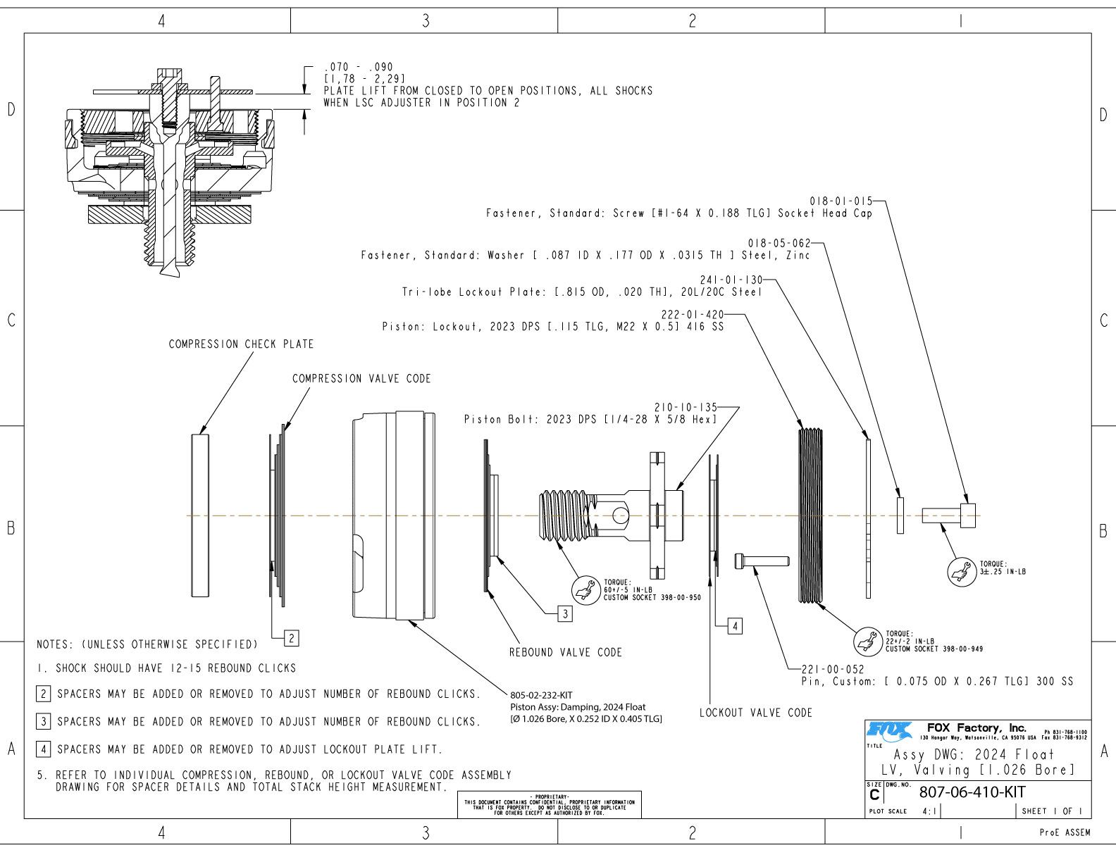
| 807-06-410-KIT | Service Set: Valving Assy: 2024 Float LV, All |
Valve Stack Assemblies:
| 805-05-551-KIT | Service Set: Valve Stack Assy: 2024 Float, Lockout Light, CML |
| 805-05-585-KIT | Service Set: Valve Stack Assy: 2024 Float, Lockout Firm, CMF |
| 805-05-575-KIT | Service Set: Valve Stack Assy: 2024 Float, Compression Light, CL |
| 805-05-576-KIT | Service Set: Valve Stack Assy: 2024 Float, Compression Medium, CM |
| 805-05-577-KIT | Service Set: Valve Stack Assy: 2024 Float, Compression Firm, CF |
| 805-05-572-KIT | Service Set: Valve Stack Assy: 2024 Float, Rebound Light, RL |
| 805-05-573-KIT | Service Set: Valve Stack Assy: 2024 Float, Rebound Med, RM |
| 805-05-574-KIT | Service Set: Valve Stack Assy: 2024 Float, Rebound Firm, RF |
Piston Assemblies:
| 805-02-232-KIT | Service Set: Piston Assy: Damping, 2024 Float [Ø 1.026 Bore, X 0.252 ID X 0.405 TLG] |
| 805-00-129-KIT | Piston Assembly: Floating, Slotted [Ø 1.026 Bore, 0.440 TLG] |
Negative Volume Spacers:
| 233-00-620 | Vol Spacer: Neg 2024 Float LV, Ø1.148 Body, .25 in^3, Purple |
| 233-00-621 | Vol Spacer: Neg 2024 Float LV, Ø1.148 Body, .14 in^3, Red |
| 233-00-622 | Vol Spacer: Neg 2024 Float LV, Ø1.148 Body, .19 in^3, Green |
Travel Spacers:
| 233-00-537 | Spacer: Travel, 2.5mm, 2024 Float LV |
| 210-24-967 | Cap, Bearing Housing, 2024 FLOAT LV |
| 019-01-007-A | Fastener, Standard (Metric): Screw [M3 x 8mm] Socket Flathead |
| 019-01-201 | Fastener, Standard (Metric): Screw [M3 x 12mm] Black, Socket Flathead |
Bearing Assembly:
| 812-06-110-KIT | Service Set: Bearing Assy: 2024 Float, [1.026 Bore, 1.640 Bore, .375 Shaft] |
Decals:
| 024-13-246 | Decal: 350 PSI Max Eyelet Decal |
| 024-13-191 | Decal: 2022 EVOL, Shock Band, FLOAT X, Short, (37.5-55mm) |
| 024-13-411 | Decal: 2024 P-S, FLOAT LV, Adj, Long (45-65mm) |
| 024-13-413 | Decal: 2024 P-S, FLOAT LV, Remote, Long (45-65mm) |
| 024-13-585 | Decal: 2025 F-S, FLOAT LV, Adj, Short, (35mm) PMS872 Kashima/PMS10392 Metallic Grey |
| 024-13-586 | Decal: 2025 F-S, FLOAT LV, Adj, Long, (45-65mm) PMS872 Kashima/PMS10392 Metallic Grey |
Assembly Drawing
Eyelet Assemblies
- 808-17-478-KIT and 808-17-479-KIT 2024 FLOAT 2Pos-Adj LV Eyelet Assemblies
- 808-17-482-KIT and 808-17-483-KIT 2024 FLOAT 2Pos LV Eyelet Assemblies
- 808-17-490-KIT and 808-17-492-KIT 2024 FLOAT PTL 2Pos Remote Up Eyelet Assemblies
- 808-17-494-KIT and 808-17-496-KIT 2024 FLOAT PTU 2Pos Remote Up Eyelet Assemblies
Valving Assembly
- 807-06-410-KIT Service Set: Valving Assy: 2024 Float LV, All
Valve Stack Assemblies
- 805-05-551-KIT Service Set: Valve Stack Assy: 2024 Float, Lockout Light, CML
- 805-05-585-KIT Service Set: Valve Stack Assy: 2024 Float, Lockout Firm, CMF
- 805-05-575-KIT Service Set: Valve Stack Assy: 2024 Float, Compression Light, CL
- 805-05-576-KIT Service Set: Valve Stack Assy: 2024 Float, Compression Medium, CM
- 805-05-577-KIT Service Set: Valve Stack Assy: 2024 Float, Compression Firm, CF
- 805-05-572-KIT Service Set: Valve Stack Assy: 2024 Float, Rebound Light, RL
- 805-05-573-KIT Service Set: Valve Stack Assy: 2024 Float, Rebound Med, RM
- 805-05-574-KIT Service Set: Valve Stack Assy: 2024 Float, Rebound Firm, RF
Piston Assemblies
- 805-02-232-KIT Service Set: Piston Assy: Damping, 2024 Float [Ø 1.026 Bore, X 0.252 ID X 0.405 TLG]
- 805-00-129-KIT Piston Assembly: Floating, Slotted [Ø 1.026 Bore, 0.440 TLG]
Travel Spacer Assemblies
Bearing Housing Assembly
- 812-06-110-KIT Service Set: Bearing Assy: 2024 Float, [1.026 Bore, 1.640 Bore, .375 Shaft]
NOTE: Only use FLOAT specific volume spacers in FLOAT shocks. Usage of volume spacers intended for other products may cause internal damage that could require replacement of the eyelet assembly or other components.



































