PARTS & DRAWINGS
FLOAT X Part Information
New changes for MY26:
| New Volume Tuning Kit | There was a slight modification to the 1.0 spacer to be compatible with Float X and Float X Live Valve Neo. Previous volume tuning kit, 803-01-725 can still be used on any existing or 2026 Float X shocks. | ||||
Maintenance Information:
| Service Interval | Full Service 125 Hours |
| 803-01-727 | Seal Kit: 2022 Float X/Bomber Air, Air Sleeve |
| 803-04-251 | Seal Kit: 2024 FLOAT X/Bomber Air, Damper Rebuild, Gen 2 |
| 398-00-764 | Tooling: DPX2, Bullet Tool |
| 398-00-558 | Tooling: Pin Spanner Wrench |
| 803-00-805 | Kit: Shaft Clamps, Shocks, CTD 9mm, 3/8in, 1/2in, 5/8in |
| 398-00-280 | Tooling: Eyelet Torque Tool |
| 398-00-951 | Tooling: Torque Fixture, 54mm Trunnion Eyelet, Tall |
| 803-01-691 | Kit: Tooling, .210-36 Vacuum Oil Fill, 2022 Shock, Andreani Thread, with O-ring |
| 803-04-055 | Kit: Tooling: Rear Shock, Air Fill Adaptor Assembly, 2024 |
| 803-01-697 | Kit: Tooling, 2022 FLOAT X & DHX, Piston Band Sizer |
Air Spring Tuning Information:
| 803-01-937 | Kit: 2025 FLOAT X Live Valve Neo, 2022 FLOAT X, Air Volume Tuning Kit |
Oil Information:
| Damper Oil | 025-03-061 | Oil: Suspension Fluid, 4 WT, 202 Liter Drum, [FRS UOM = 1.0 Gallon / FTW UOM = 1.0 Liter] |
| 025-03-063 | Oil: Suspension Fluid, 4 WT, 1.0 Liter Bottle | |
| Air Chamber | 025-03-071 | Oil: FOX 20 WT Gold, T22238, 55 Gallon Drum, [FRS UOM = 1.00 Gallon / FTW UOM = 1.00 Liter] |
| 025-03-072 | Oil: AM, FOX 20 WT Gold, T22238, 32 oz |
IFP Information:
| IFP Height | Short Reservoir | 33 +/- 1.25mm (1.299 +/- .050in.) |
| Medium Reservoir | 37 +/- 1.25mm (1.457 +/- .050in.) | |
| Long Reservoir | 41 +/- 1.25mm (1.614 +/- .050in.) | |
| XL Reservoir | 45 +/- 1.25mm (1.772 +/- .050in.) | |
| IFP Pressure | 150psi +/- 10psi (same pressure on all 2022 Float X shocks) | |
Upgrade Information:
| 808-17-472-KIT | Service Set: Eyelet Sub Assy: Lever, 2pos, 2022 FLOAT X & DHX |
Size Specific Part Information:
| Shock Size | Shaft | Rebound Rod | Ano Sleeve | Ano Body | Kashima Sleeve | Kashima Body |
| 165 x 45 mm | 230-45-401/803-04-455 | 210-84-401 | 806-29-801-KIT | 209-95-001 | 806-29-811-KIT | 209-95-101 |
| 185 x 50 mm | 230-45-402/803-04-456 | 210-84-402 | 806-29-802-KIT | 209-95-002 | 806-29-812-KIT | 209-95-102 |
| 185 x 52.5 mm | 230-45-402/803-04-456 | 210-84-402 | 806-29-802-KIT | 209-95-002 | 806-29-812-KIT | 209-95-102 |
| 185 x 55 mm | 230-45-402/803-04-456 | 210-84-402 | 806-29-802-KIT | 209-95-002 | 806-29-812-KIT | 209-95-102 |
| 190 x 45 mm | 230-45-401/803-04-455 | 210-84-401 | 806-29-801-KIT | 209-95-001 | 806-29-811-KIT | 209-95-101 |
| 205 x 57.5 mm | 230-45-403/803-04-457 | 210-84-403 | 806-29-803-KIT | 209-95-003 | 806-29-813-KIT | 209-95-103 |
| 205 x 60 mm | 230-45-403/803-04-457 | 210-84-403 | 806-29-803-KIT | 209-95-003 | 806-29-813-KIT | 209-95-103 |
| 205 x 62.5 mm | 230-45-403/803-04-457 | 210-84-403 | 806-29-803-KIT | 209-95-003 | 806-29-813-KIT | 209-95-103 |
| 205 x 65 mm | 230-45-403/803-04-457 | 210-84-403 | 806-29-803-KIT | 209-95-003 | 806-29-813-KIT | 209-95-103 |
| 210 x 47.5 mm | 230-45-402/803-04-456 | 210-84-402 | 806-29-802-KIT | 209-95-002 | 806-29-812-KIT | 209-95-102 |
| 210 x 50 mm | 230-45-402/803-04-456 | 210-84-402 | 806-29-802-KIT | 209-95-002 | 806-29-812-KIT | 209-95-102 |
| 210 x 52.5 mm | 230-45-402/803-04-456 | 210-84-402 | 806-29-802-KIT | 209-95-002 | 806-29-812-KIT | 209-95-102 |
| 210 x 55 mm | 230-45-402/803-04-456 | 210-84-402 | 806-29-802-KIT | 209-95-002 | 806-29-812-KIT | 209-95-102 |
| 225 x 75 mm | 230-45-404/803-04-458 | 210-84-404 | 806-29-804-KIT | 209-95-004 | 806-29-814-KIT | 209-95-104 |
| 230 x 57.5 mm | 230-45-403/803-04-457 | 210-84-403 | 806-29-803-KIT | 209-95-003 | 806-29-813-KIT | 209-95-103 |
| 230 x 60 mm | 230-45-403/803-04-457 | 210-84-403 | 806-29-803-KIT | 209-95-003 | 806-29-813-KIT | 209-95-103 |
| 230 x 62.5 mm | 230-45-403/803-04-457 | 210-84-403 | 806-29-803-KIT | 209-95-003 | 806-29-813-KIT | 209-95-103 |
| 230 x 65 mm | 230-45-403/803-04-457 | 210-84-403 | 806-29-803-KIT | 209-95-003 | 806-29-813-KIT | 209-95-103 |
Eyelet Assemblies:
| 808-17-435-KIT | Service Set: Eyelet Assy: 2022 FLOAT X, Standard, LSC, no Lever, no Base Valve |
| 808-17-445-KIT | Service Set: Eyelet Assy: 2022 FLOAT X, Trunnion, LSC, no Lever, no Base Valve |
Eyelet Subassemblies:
| 808-17-470-KIT | Service Set: Eyelet Sub Assy: LSC, 2022 FLOAT X & DHX |
| 808-17-471-KIT | Service Set: Eyelet Sub Assy: no LSC, 2022 FLOAT X & DHX |
| 808-17-472-KIT | Service Set: Eyelet Sub Assy: Lever, 2pos, 2022 FLOAT X & DHX |
| 808-17-473-KIT | Service Set: Eyelet Sub Assy: no Lever, 2022 FLOAT X & DHX |
| 808-17-474-KIT | Service Set: Eyelet Sub Assy: Remote, 2pos, PTL, 2022 FLOAT X & DHX |
| 808-17-475-KIT | Service Set: Eyelet Sub Assy: Base Valve, 2022 FLOAT X & DHX |
| 808-17-551-KIT | Service Set: Eyelet Sub Assy: Base Valve, 2024 FLOAT X & DHX, Flat Piston |
Bearing Assemblies:
| 812-06-107-KIT | Service Set: Bearing Housing Assy: 2022 FLOAT X, 47.5mm - 75mm Travel Std, Black Ano |
| 812-06-108-KIT | Service Set: Bearing Housing Assy: 2022 FLOAT X, 37.5mm-45mm Std & 47.5mm-75mm Low Clearance |
Valving Assembly:
| 807-06-317-KIT | Service Set: Valving Assy: 2022 FLOAT X, Main Piston Parts |
Base Valve Valve Stack Assemblies:
| 805-05-215-KIT | Service Set: Valve Stack Assy: 2022 FLOAT X & DHX, Base Valve, Lever Mode Medium, Bleed 2, LMB2 |
| 805-05-226-KIT | Service Set: Valve Stack Assy: 2024 FLOAT X & DHX, BVMFP01LM, Base Valve Medium, Lever Mode Medium, Flat Piston |
| 805-05-235-KIT | Service Set: Valve Stack Assy: 2025 FLOAT X & DHX, LML, Base Valve Lever Mode, Flat Piston |
| 805-05-238-KIT | Service Set: Valve Stack Assy: 2025 FLOAT X & DHX, B20, Base Valve Compression, Flat Piston |
| 805-05-239-KIT | Service Set: Valve Stack Assy: 2025 FLOAT X & DHX, B40, Base Valve Compression, Flat Piston |
| 805-05-236-KIT | Service Set: Valve Stack Assy: 2025 FLOAT X & DHX, LMM, Base Valve Lever Mode, Flat Piston |
| 805-05-240-KIT | Service Set: Valve Stack Assy: 2025 FLOAT X & DHX, B60, Base Valve Compression, Flat Piston |
| 805-05-241-KIT | Service Set: Valve Stack Assy: 2025 FLOAT X & DHX, B80, Base Valve Compression, Flat Piston |
| 805-05-242-KIT | Service Set: Valve Stack Assy: 2025 FLOAT X & DHX, B100, Base Valve Compression, Flat Piston |
| 805-05-237-KIT | Service Set: Valve Stack Assy: 2025 FLOAT X & DHX, LMF, Base Valve Lever Mode, Flat Piston |
Rebound Valve Stack Assemblies:
| 805-05-509-KIT | Service Set: Valve Stack Assy: 2022 FLOAT X & DHX, Preload Rebound Medium, PRM |
| 805-05-656-KIT | Service Set: Valve Stack Assy: 2023 FLOAT X & DHX, RM003, Rebound Medium, .061 NMT |
| 805-05-720-KIT | Service Set: Valve Stack Assy: 2025 FLOAT X & DHX, RL20, Rebound Linear, .058 NMT |
| 805-05-721-KIT | Service Set: Valve Stack Assy: 2025 FLOAT X & DHX, RL30, Rebound Linear, .061 NMT |
| 805-05-722-KIT | Service Set: Valve Stack Assy: 2025 FLOAT X & DHX, RL40, Rebound Linear, .061 NMT |
| 805-05-723-KIT | Service Set: Valve Stack Assy: 2025 FLOAT X & DHX, RL50, Rebound Linear, .061 NMT |
| 805-05-724-KIT | Service Set: Valve Stack Assy: 2025 FLOAT X & DHX, RL60, Rebound Linear, .071 NMT |
Compression Valve Stack Assemblies:
| 805-05-510-KIT | Service Set: Valve Stack Assy: 2022 FLOAT X & DHX, Compression, CL |
| 805-05-511-KIT | Service Set: Valve Stack Assy: 2022 FLOAT X & DHX, Compression, CM |
| 805-05-512-KIT | Service Set: Valve Stack Assy: 2022 FLOAT X & DHX, Compression, CM+ |
| 805-05-545-KIT | Service Set: Valve Stack Assy: 2022 FLOAT X & DHX, Compression, CL+ |
| 805-05-665-KIT | Service Set: Valve Stack Assy: 2024 FLOAT X & DHX, CMFP001, Compression Medium, Flat Piston, .059 NMT |
| 805-05-710-KIT | Service Set: Valve Stack Assy: 2025 FLOAT X & DHX, CS10, Comp Split Stack, FP, .049 NMT |
| 805-05-712-KIT | Service Set: Valve Stack Assy: 2025 FLOAT X & DHX, CS30, Comp Split Stack, FP, .047 NMT |
| 805-05-714-KIT | Service Set: Valve Stack Assy: 2025 FLOAT X & DHX, CS50, Comp Split Stack, FP, .051 NMT |
| 805-05-716-KIT | Service Set: Valve Stack Assy: 2025 FLOAT X & DHX, CS70, Comp Split Stack, FP, .059 NMT |
| 805-05-718-KIT | Service Set: Valve Stack Assy: 2025 FLOAT X & DHX, CS90, Comp Split Stack, FP, .059 NMT |
Reservoir Assemblies:
| 813-00-290-KIT | Service Set: Reservoir End Cap Assy: 2022 FLOAT X & DHX, G2 |
| 805-00-130-KIT | Service Set: Piston Assembly: 2022 FLOAT X & DHX, IFP, Floating w/ Bleed & Glide Band [1.070 Bore] |
| 227-09-050 | Reservoir: 2022 FLOAT X & DHX, Short Travel, TLG 56.8 |
| 227-09-051 | Reservoir: 2022 FLOAT X & DHX, Medium Travel, TLG 60.8 |
| 227-09-052 | Reservoir: 2022 FLOAT X & DHX, Long Travel, TLG 64.9 |
| 227-09-053 | Reservoir: 2022 FLOAT X & DHX, XL Travel, TLG 69.0 |
Decals:
| 024-13-230 | Decal: 2022 FLOAT X, Airsleeve, Neutral, (37.5-45mm) |
| 024-13-231 | Decal: 2022 FLOAT X, Airsleeve, Neutral, (47.5-55mm) |
| 024-13-232 | Decal: 2022 FLOAT X, Airsleeve, Neutral, (57.5-75mm) |
| 024-13-587 | Decal: 2025 F-S, FLOAT X, Resy, PMS872 Kashima/PMS10392 Metallic Grey, Short, (37.5-45mm) |
| 024-13-588 | Decal: 2025 F-S, FLOAT X, Resy, PMS872 Kashima/PMS10392 Metallic Grey, Long, (47.5-75mm) |
| 024-13-239 | Decal: 2022 P-Elite, FLOAT X, Resy, Short, (37.5-45mm) |
| 024-13-240 | Decal: 2022 P-Elite, FLOAT X, Resy, Long, (47.5-75mm) |
| 024-13-243 | Decal: 2022 P-S, FLOAT X, Resy, Short, (37.5-45mm) |
| 024-13-244 | Decal: 2022 P-S, FLOAT X, Resy, Long, (47.5-75mm) |
| 024-13-191 | Decal: 2022 EVOL, Shock Band, FLOAT X, Short, (37.5-55mm) |
| 024-13-192 | Decal: 2022 EVOL, Shock Band, FLOAT X, Long, (57.5-75mm) |
| 024-13-193 | Decal: 2022 EVOL, Shock Band, E-Bike, FLOAT X, Short, (37.5-55mm) |
| 024-13-194 | Decal: 2022 EVOL, Shock Band, E-Bike, FLOAT X, Long, (57.5-75mm) |
| 024-13-246 | Decal: 350 PSI Max Eyelet Decal |
Negative Volume Spacers:
| 233-00-539 | Volume Spacer: Neg, 2022 FLOAT X, 0.08 in^3, Orange, for Bearing Housing w/o Hex |
Travel Spacers:
| 803-01-798 | Kit: 2022 Float X, 2.5mm Travel Spacer, Quantity 10 (5 Pair), (Ref: 233-00-444) |
| 803-01-794 | Kit: 2021 Float X2, M3 x 8mm Fasteners, Quantity 10 (5 Pair), (Ref: 019-01-007-A) |
| 803-01-799 | Kit: 2022 Float X/DHX, M3 x 12mm Fasteners, Quantity 10 (5 Pair), (Ref: 019-01-201) |
| 233-00-444 | Spacer: Travel, 2.5mm, 2022 FLOAT X |
| 019-01-007-A | Fastener, Standard (Metric): Screw [M3 x 8mm] Socket Flathead |
| 019-01-201 | Fastener, Standard (Metric): Screw [M3 x 12mm] Black, Socket Flathead |
Assembly Drawing
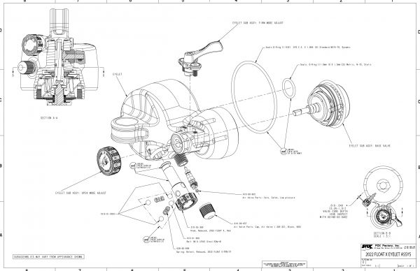
Eyelet Assemblies
Eyelet Subassemblies
- 808-17-470-KIT Service Set: Eyelet Sub Assy: LSC, 2022 FLOAT X & DHX
- 808-17-471-KIT Eyelet Sub Assy: no LSC, 2022 FLOAT X & DHX
- 808-17-472-KIT Eyelet Sub Assy: Lever, 2pos, 2022 FLOAT X & DHX
- 808-17-473-KIT Eyelet Sub Assy: no Lever, 2022 FLOAT X & DHX
- 808-17-474-KIT Eyelet Sub Assy: Remote, 2pos, PTL, 2022 FLOAT X & DHX
- 808-17-475-KIT Eyelet Sub Assy: Base Valve, 2022 FLOAT X & DHX
Base Valve Valve Stack Assemblies
- 805-05-215-KIT Valve Stack Assy: 2022 FLOAT X & DHX, Base Valve, Lever Mode Medium, Bleed 2, LMB2
- 805-05-226-KIT Valve Stack Assy: 2024 FLOAT X & DHX, BVMFP01LM, Base Valve Medium, Lever Mode Medium, Flat Piston
- 805-05-235-KIT Valve Stack Assy: 2025 FLOAT X & DHX, LML, Base Valve Lever Mode, Flat Piston
- 805-05-237-KIT Valve Stack Assy: 2025 FLOAT X & DHX, LMF, Base Valve Lever Mode, Flat Piston
- 805-05-238-KIT Valve Stack Assy: 2025 FLOAT X & DHX, B20, Base Valve Compression, Flat Piston
- 805-05-239-KIT Valve Stack Assy: 2025 FLOAT X & DHX, B40, Base Valve Compression, Flat Piston
- 805-05-240-KIT Valve Stack Assy: 2025 FLOAT X & DHX, B60, Base Valve Compression, Flat Piston
- 805-05-236-KIT Valve Stack Assy: 2025 FLOAT X & DHX, LMM, Base Valve Lever Mode, Flat Piston
- 805-05-241-KIT Valve Stack Assy: 2025 FLOAT X & DHX, B80, Base Valve Compression, Flat Piston
- 805-05-242-KIT Valve Stack Assy: 2025 FLOAT X & DHX, B100, Base Valve Compression, Flat Piston
Bearing Assembly
Valving Assembly
- 807-06-317-KIT Valving Assy: 2022 FLOAT X, Main Piston Parts
Rebound Valve Stack Assemblies
- 805-05-509-KIT Valve Stack Assy: 2022 FLOAT X & DHX, Preload Rebound Medium, PRM
- 805-05-656-KIT Valve Stack Assy: 2023 FLOAT X & DHX, RM003, Rebound Medium, .061 NMT
- 805-05-720-KIT Valve Stack Assy: 2025 FLOAT X & DHX, RL20, Rebound Linear, .058 NMT
- 805-05-721-KIT Valve Stack Assy: 2025 FLOAT X & DHX, RL30, Rebound Linear, .061 NMT
- 805-05-722-KIT Valve Stack Assy: 2025 FLOAT X & DHX, RL40, Rebound Linear, .061 NMT
- 805-05-723-KIT Valve Stack Assy: 2025 FLOAT X & DHX, RL50, Rebound Linear, .061 NMT
- 805-05-724-KIT Valve Stack Assy: 2025 FLOAT X & DHX, RL60, Rebound Linear, .071 NMT
Compression Valve Stack Assemblies
- 805-05-510-KIT Valve Stack Assy: 2022 FLOAT X & DHX, Compression, CL
- 805-05-511-KIT Valve Stack Assy: 2022 FLOAT X & DHX, Compression, CM
- 805-05-512-KIT Valve Stack Assy: 2022 FLOAT X & DHX, Compression, CM+
- 805-05-545-KIT Valve Stack Assy: 2022 FLOAT X & DHX, Compression, CL+
- 805-05-665-KIT Valve Stack Assy: 2024 FLOAT X & DHX, CMFP001, Compression Medium, Flat Piston, .059 NMT
- 805-05-710-KIT Valve Stack Assy: 2025 FLOAT X & DHX, CS10, Comp Split Stack, FP, .049 NMT
- 805-05-712-KIT Valve Stack Assy: 2025 FLOAT X & DHX, CS30, Comp Split Stack, FP, .047 NMT
- 805-05-714-KIT Valve Stack Assy: 2025 FLOAT X & DHX, CS50, Comp Split Stack, FP, .051 NMT
- 805-05-716-KIT Valve Stack Assy: 2025 FLOAT X & DHX, CS70, Comp Split Stack, FP, .059 NMT
- 805-05-718-KIT Valve Stack Assy: 2025 FLOAT X & DHX, CS90, Comp Split Stack, FP, .059 NMT
Reservoir Subassemblies
- 813-00-290-KIT Reservoir End Cap Assy: 2022 FLOAT X & DHX, G2
- 805-00-130-KIT Piston Assembly: 2022 FLOAT X & DHX, IFP, Floating w/ Bleed & Glide Band [1.070 Bore]
Travel Spacers
NOTE: Only use FLOAT X specific volume spacers in FLOAT X shocks. Usage of volume spacers intended for other products may cause internal damage that could require replacement of the eyelet assembly or other components.
















































































