PARTS & DRAWINGS
34SL Part Information
New for 2026:
| New CSU and Lowers | Wider than the 34 and heavier than the 34 SC. Now accepts 203mm rotor. Not backwards compatible. |
| New Lowers | Oil channels now on inside of fork. Better fore/aft support to improve bushing load case. |
| New Dampers | Same Grip X/Grip SL/Grip dampers that you know but now built to meet the needs of the new chassis. Not backwards compatible. |
| New Air spring | Cassette style air cap with an optimized air spring for new chassis. |
| New Decals | New decals for the new fork design. |
| Service tooling | No new service tooling. |
Maintenance Information:
| Service Interval | Full Service 125 hours |
| 803-00-945 | Kit: Dust Wiper, Forx, 34mm, Low Friction, No Flange |
| 803-01-320 | Seal Kit: MY19+ 32, 34, 36, 38, 40 GRIP Cartridge Rebuild |
| 803-04-090 | Seal Kit: 2025 Grip SL (32 TC, 32 SC, 34 SC, 34 SL) |
| 803-00-963 | Seal Kit: 34 FLOAT NA2 Rebuild |
| 803-04-051 | Kit: 2025, 34/34 SC, Lower Leg Bushings |
| 398-00-771 | Tooling: Guided Fork Seal Driver, One Piece Seal/Wiper, 34 |
| 398-00-681 | 32 Damper-side and ALL 32-34-38-40 Spring-side Removal Tool |
| 398-00-682 | 34-36-38-40 Damper-side Removal Tool |
| 803-01-324 | Kit: Tooling: 2019 Clamps, Grip Damper, Body and Shaft |
| 398-00-763 | Tooling: DPX2, Base Valve Driver |
| 398-01-362 | Tooling: Compression Needle Driver, Grip Damper |
Air Spring Tuning Information:
| 803-01-667 | Kit: Volume Spacer, FLOAT NA 2, 34, 1.214 Bore, Green, Quantity 5, (Ref: 234-04-953) |
| 234-04-953 | Volume Spacer, FLOAT NA 2, 34, 1.214 Bore, Green |
Oil Information:
| Application | Description | Part |
| All Grip SL and GRIP Dampers and Damper Bath Oil | Oil: Suspension Fluid, 4 WT, 1.0 Liter Bottle | 025-03-063 |
| Oil: Suspension Fluid, 4 WT, 23L | 025-03-064 | |
| FLOAT NA2 Air Chamber and Bath Oil | Oil: AM, FOX 20 WT Gold, T22238, 32 oz | 025-03-072 |
| Oil: AM, FOX 20 WT Gold, T22238, 23L | 025-03-073 |
| Oil Application | Oil Volume |
| Grip SL Damper Side Bath | 15cc (4 WT) |
| GRIP/GRIP X Damper Side Bath | 20cc (4 WT) |
| Air Side Bath | 10cc (FOX 20 WT Gold) |
| Air Chamber | 3cc Slickoleum (Slick Honey)/3cc (FOX 20 WT Gold) |
CSU Assemblies:
| 820-12-916-KIT | Service Set: 2026 34 SL 29in 130 MAX 15x110 Kashima Black Ano 1.5T 13mm OS CSU |
| 820-12-919-KIT | Service Set: 2026 34 SL 29in 130 MAX 15x110 Black Ano Black Ano 1.5T 13mm OS CSU |
Lower Leg Assemblies:
| 820-20-462-KIT | Service Set: 2026 34 SL 29in 130 MAX 15x110 Kabolt SL, Fox Matte Black, F-S P-SE, Lower Leg Assy |
| 820-20-463-KIT | Service Set: 2026 34 SL 29in 130 MAX 15x110 Kabolt SL, Fox Shiny Black, F-S P-SE, Lower Leg Assy |
| 820-20-464-KIT | Service Set: 2026 34 SL 29in 130 MAX 15x110 Kabolt SL, Fox Shiny Orange, F-S P-SE, Lower Leg Assy |
Axle Assemblies:
| 820-09-063-KIT | Service Set: 2020 FOX-Marzocchi 15x110 QR Adjust Axle Assembly |
| 229-19-561 | Shaft: Axle, 15 X 110mm Kabolt SL, Small Flange, Black Ano (T) |
Lower Leg Small Parts:
| 820-00-202-KIT | Service Set: Light Disc Brake Hose Guide Parts |
Decal Kits:
| 803-04-268 | Decal Kit: 2026, 34 SL, F-S, Kashima/Grey Logo, Shiny Black Fork |
| 803-04-269 | Decal Kit: 2026, 34 SL, F-S, Black Logo, Shiny Orange Fork |
| 803-04-270 | Decal Kit: 2026, 34 SL, P-SE, Grey Logo, Matte Black Fork |
| 803-04-271 | Decal Kit: 2026, 34 SL, P-S, Grey Logo, Matte Black Fork |
Complete Cartridges:
| 820-18-582-KIT | Service Set: 2026 34 SL 130, GRIP SL, 3 Pos Adj, Cart Assy Complete |
| 820-18-584-KIT | Service Set: 2026 34 SL 130, GRIP SL, Push-Lock Remote Cart Assy Complete |
| 820-18-617-KIT | Service Set: 2026 34 SL 130, GRIP X LSR / HSC / LSC Cart Assy Complete, CMBV, CM, RF, Blue Ano |
| 820-18-614-KIT | Service Set: 2026 34 SL 130, Grip Cart Assy Complete |
Cartridge Topcap Assemblies:
| 820-05-735-KIT | Service Set: 2025 34 SC, GRIP SL, Topcap Assy, 3 Pos Adj |
| 820-05-741-KIT | Service Set: 2025 34 SC, GRIP SL, Remote, Topcap Assy |
| 820-05-749-KIT | Service Set: 2025 34 140, GRIP X, Topcap Assy, 3 Pos Adj |
| 820-05-788-KIT | Service Set: 2025 34, 160 MAX, Grip Topcap Assy |
| 820-05-790-KIT | Service Set: 2025 34, 160 MAX, Grip Remote Topcap Assy |
Damper Topcap Interface Parts:
| 820-05-731-KIT | Service Set: 2025 GRIP-SL Topcap Interface Parts, Blue Ano |
| 820-05-757-KIT | Service Set: 2025 Grip SL Push-Lock Remote, Topcap Interface Parts |
| 820-05-750-KIT | Service Set: 2025 Grip X HSC / LSC Topcap Interface Parts, Blue Ano |
| 820-05-623-KIT | Service Set: 2020 Grip 34, 36 & 38 P-S Topcap Interface Parts |
| 820-05-611-KIT | Service Set: 2020 Grip Push-Lock Remote, Topcap Interface Parts |
Damper Shaft Assemblies:
| 820-05-795-KIT | Service Set: 2026 34 SL 130, GRIP SL LSR Damper Shaft Assy |
| 820-03-774-KIT | Service Set: 2026 34 SL 130, GRIP X LSR Damper Shaft Assy |
| 820-03-773-KIT | Service Set: 2026 34 SL 130 Max, Grip Damper Shaft Assy |
Remotes and Accessories:
| 820-07-190 | Remote Assembly, 2022 Suspension Remote, 3-POS, 22.2, Dual 0,9mm Cable |
| 820-07-191 | Remote Assembly, 2022 Suspension Remote, 2-POS, 22.2, Dual 0,9mm Cable |
| 820-07-129-KIT | Service Set: 2022 I-SPEC-EV Remote Adaptor Assembly for 2022 Forks/Shock Remotes |
| 825-05-006-KIT | Service Set: 22.2 Remote Band Clamp Assy, For: 2022 Fork/Shock Remotes and 2021 1x Transfer Remotes |
| 925-06-007 | 2026 AM,FOX Suspension + Seatpost Remote,3-POS/2-POS,22.2,MM,I-SPEC EV |
Damper Bottom Stud Interface Parts:
| 820-05-809-KIT | Service Set: 2026 34 SL Bottom Stud Interface Parts, All Dampers |
FLOAT NA2 Air Shaft Assemblies:
| 820-02-709-KIT | Service Set: Air Shaft Assy, 2026, 34 SL, 110mm, FLOAT LC NA 2, 1.214 Bore |
| 820-02-710-KIT | Service Set: Air Shaft Assy, 2026, 34 SL, 120mm, FLOAT LC NA 2, 1.214 Bore |
| 820-02-711-KIT | Service Set: Air Shaft Assy, 2026, 34 SL, 130mm, FLOAT LC NA 2, 1.214 Bore |
FLOAT NA2 Topcap Assemblies:
| 820-05-804-KIT | Service Set: Topcap Assy, 2026, FLOAT NA 2, 34 SL, Black |
| 234-44-361 | Air Knob, 2025 32SC Fork, Blue Ano |
2026 34 SL GRIP SL
- 820-18-582-KIT 2026 34 SL 130, GRIP SL, 3 Pos Adj, Cart Assy Complete
- 2026 34 SL 130, GRIP SL 3 Pos Adj Cart Assy .
- 820-05-809-KIT 2026 34 SL Bottom Stud Interface Parts, All Dampers
- 820-05-795-KIT 2026 34 SL 130, GRIP SL LSR Damper Shaft Assy
- 820-05-735-KIT 2025 34 SC, GRIP SL, Topcap Assy, 3 Pos Adj
- 820-03-714-KIT 2025 GRIP SL Rebound Piston Assy, 8mm Shaft
- 820-03-713-KIT 2025 GRIP SL, Bearing Housing Assy
- 820-03-712-KIT Valve Stack Assy: 2025 GRIP SL, Mid Valve, CM
- 820-03-711-KIT Valve Stack Assy: 2025 GRIP SL, Compression Light, CL
- 820-03-710-KIT 2025 GRIP SL Rebound Valving, RF
2026 34 SL GRIP SL Remote
- 820-18-584-KIT 2026 34 SL 130, GRIP SL, PTL Remote Cart Assy Complete
- 2026 34 SL 130, GRIP SL, Remote Cart Assy .
- 820-05-809-KIT 2026 34 SL Bottom Stud Interface Parts, All Dampers
- 820-05-795-KIT 2026 34 SL 130, GRIP SL LSR Damper Shaft Assy
- 820-05-741-KIT 2025 34 SC GRIP SL Remote Topcap Assy
- 820-03-714-KIT 2025 GRIP SL Rebound Piston Assy, 8mm Shaft
- 820-03-713-KIT 2025 GRIP SL, Bearing Housing Assy
- 820-03-712-KIT Valve Stack Assy: 2025 GRIP SL, Mid Valve, CM
- 820-03-711-KIT Valve Stack Assy: 2025 GRIP SL, Compression Light, CL
- 820-03-710-KIT 2025 GRIP SL Rebound Valving, RF
2026 34 SL GRIP X
- 820-18-617-KIT 2026 34 SL 130, GRIP X LSR / HSC / LSC Cart Assy Complete, CMBV, CM, RF, Blue Ano
- 2026 34 SL 130, GRIP X, LSR/HSR/LSC, Cart Assy .
- 820-05-809-KIT 2026 34 SL Bottom Stud Interface Parts, All Dampers
- 820-05-774-KIT 2026 34 SL 130, GRIP X LSR Damper Shaft Assy
- 820-05-749-KIT 2025 34 140, GRIP X, Topcap Assy, 3 Pos Adj
- 820-03-730-KIT 2025 GRIP X, Rebound Piston Assy, 8mm Shaft
- 820-03-729-KIT Bearing Housing: 2025 GRIP X
- 820-03-728-KIT Valve Stack Assy: 2025 GRIP X, Compression Medium, CM
- 820-03-727-KIT 2025 GRIP X Rebound Valving, RF
- 820-03-726-KIT Valve Stack Assy: 2025 GRIP X, Mid Valve, CM
2026 34 SL GRIP
- 820-18-614-KIT 2026 34 SL 130, GRIP Cart Assy Complete
- 2026 34 SL, 130 GRIP Cart Assy .
- 820-05-809-KIT 2026 34 SL Bottom Stud Interface Parts, All Dampers
- 820-03-773-KIT 2026 34 SL, 130 MAX Grip Damper Shaft Assy
- 820-05-788-KIT 2025 34 160 MAX Grip Topcap Assy
- 820-03-750-KIT Rebound Piston 2025 GRIP
- 820-03-747-KIT 2025 GRIP Mid-Valving
- 820-03-746-KIT 2025 Grip Rebound Valving
- 820-03-745-KIT 2025 Grip Compression Valving
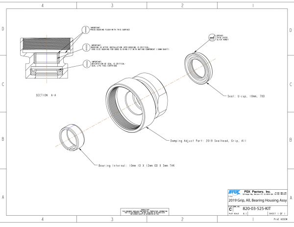
- 820-03-525-KIT 2019 Grip, All, Bearing Housing Assy




















































































