PARTS & DRAWINGS
32mm TC Part Information
No changes for 2026
Maintenance Information:
| Service Interval | Full Service 125 Hours |
| 803-00-944 | Kit: Dust Wiper, Forx, 32mm, Low Friction, No Flange |
| 803-01-320 | Seal Kit: MY19+ 32, 34, 36, 38, 40 GRIP Cartridge Rebuild |
| 803-04-090 | Seal Kit: 2025 Grip SL (32 TC, 32 SC, 34 SC) |
| 803-00-962 | Seal Kit: 32 FLOAT NA2 Rebuild |
| 398-00-770 | Tooling: Guided Fork Seal Driver, One Piece Seal/Wiper, 32 |
| 803-01-324 | Kit: Tooling: 2019 Clamps, Grip Damper, Body and Shaft |
| 820-09-084-KIT | Service Tooling: 2022 32 TC Fork Air-Damper Shaft Removal Assembly KIT |
| 398-00-918 | Tooling: 2022 32 TC Fork Air-Damper Nut Torque Tool |
| 803-04-049 | Kit: 2025, 32 TC, Lower Leg Bushings |
Air Spring Tuning Information:
| 803-01-715 | Kit: Volume Spacer, Float NA 2, 2022 32 TC Fork, Quantity 5 | Max: 4 Volume Spacers |
| 234-44-270 | Volume Spacer, Float NA 2, 2022 32 TC Fork |
Oil Informatoin:
| Application | Description | Part # |
| All Grip SL and GRIP Dampers and Damper Bath Oil | Oil: Suspension Fluid, 4 WT, 1.0 Liter Bottle | 025-03-063 |
| Oil: Suspension Fluid, 4 WT, 23L | 025-03-064 | |
| FLOAT NA2 Air Chamber and Bath Oil | Oil: AM, FOX 20 WT Gold, T22238, 32 oz | 025-03-072 |
| Oil: AM, FOX 20 WT Gold, T22238, 23L | 025-03-073 |
| Oil Application | Oil Volume |
| GRIP SL Damper Side Bath | 10cc (4 WT) |
| GRIP Damper Side Bath | 12cc (4 WT) |
| NA2 Air Side Bath | 12cc (FOX 20 WT Gold) |
| Float NA2 Air Chamber | 3cc (Slick Honey)/3cc (FOX 20 WT Gold) |
CSU Assemblies:
| 820-12-455-KIT | Service Set: 2022 32 TC, 50mm MAX travel, Kashima, Matte Black, 1.5T 45mm Rake CSU Assy |
| 820-12-456-KIT | Service Set: 2022 32 TC, 50mm MAX travel, Kashima, Shiny Black, 1.5T 45mm Rake CSU Assy |
| 820-12-459-KIT | Service Set: 2022 32 TC, 50mm MAX travel, Kashima, Shiny Black, 1.5T 50mm Rake CSU Assy |
| 820-12-449-KIT | Service Set: 2022 32 TC, 50mm MAX travel, Black Ano, Matte Black, 1.5T 45mm Rake CSU Assy |
| 820-12-452-KIT | Service Set: 2022 32 TC, 50mm MAX travel, Black Ano, Matte Black, 1.5T 50mm Rake CSU Assy |
Lower Leg Assemblies:
| 820-20-199-KIT | Service Set: 2022 Fox 32 TC, 50mm MAX travel, 12x100 Blk Ano Kabolt, F-S, PE-S & P-S, Matte Black, Lower Leg Assy |
| 820-20-200-KIT | Service Set: 2022 Fox 32 TC, 50mm MAX travel, 12x100 Blk Ano Kabolt, F-S, PE-S & P-S, Shiny Black, Lower Leg Assy |
| 820-20-215-KIT | Service Set: 2022 Fox 32 TC, 50mm MAX travel, 12x100 Blk Ano Kabolt, F-S PE-S & P-S, Shiny Orange, Lower Leg Assy |
Axle Assemblies:
| 820-09-082-KIT | Service Set: Axle Assembly: 2022 TC, 12 X 100mm Kabolt, Black Ano |
Lower Leg Small Parts:
| 820-09-085-KIT | Service Set: 2022 Fox TC Disc Brake Hose Guide Parts |
| 820-09-089-KIT | Service Set: 2022 TC Fork Fender Bracket Parts Group |
Decal Kits:
| 803-04-058 | Decal Kit: 2025, 32 TC, F-S, Kashima/Grey Logo, Shiny Black Fork |
| 803-04-059 | Decal Kit: 2025, 32 TC, F-S, Black Logo, Shiny Orange Fork |
| 803-04-060 | Decal Kit: 2025, 32 TC, P-SE, Grey Logo, Matte Black Fork |
| 803-01-876 | Decal Kit: 2022, 32 TC, P-S, Grey Logo, Matte Black Fork |
Complete Cartridges:
| 820-18-513-KIT | Service Set: 2025 32 TC 50, GRIP SL, 3 Pos Adj, Cart Assy Complete |
| 820-18-573-KIT | Service Set: 2025 32 TC 50mm MAX GRIP Black Ano Cart Assy Complete |
Cartridge Topcap Assemblies:
| 820-05-742-KIT | Service Set: 2025 32 TC, GRIP SL, Topcap Assy, 3 Pos Adj |
| 820-05-695-KIT | Service Set: 2022 32 TC Grip Damper, Topcap Assy |
Damper Topcap Interface Parts:
| 820-05-743-KIT | Service Set: 2025 GRIP-SL Topcap Interface Parts, TC, Black Ano |
| 820-05-696-KIT | Service Set: 2022 32 TC Grip Topcap Interface Parts P-S |
Damper Shaft Assemblies:
| 820-05-744-KIT | Service Set: 2025 32 TC 50, GRIP SL LSR Damper Shaft Assy |
| 820-03-687-KIT | Service Set: 2022 32 TC 50mm MAX Grip Damper Shaft Assy |
Bottom Stud Interface Parts:
| 820-05-693-KIT | Service Set: 2022 32 TC FIT4 Bottom Stud Interface Parts |
| 820-05-697-KIT | Service Set: 2022 32 TC GRIP Bottom Stud Interface Parts |
FLOAT NA2 Air Shaft Assemblies:
| 820-02-591-KIT | Service Set: Air Shaft Assy, 2022 32 TC 40mm Float NA (1.132 Bore), Alum NP |
| 820-02-592-KIT | Service Set: Air Shaft Assy, 2022 32 TC 50mm Float NA (1.132 Bore), Alum NP |
FLOAT NA2 Topcap Assemblies:
| 820-05-694-KIT | Service Set: Topcap Assy, 2022 32 TC, FLOAT NA2, Black |
2025 32 TC Grip SL
- 820-18-513-KIT 2025 32 TC 50, GRIP SL, 3 Pos Adj, Cart Assy Complete
- GRIP SL Topcap Interface Part Information .
- 2025 32 TC 50, GRIP SL, 3 Pos Adj, Cart Assy .
- 820-05-744-KIT 2025 32 TC 50, GRIP SL LSR Damper Shaft Assy
- 820-05-742-KIT 2025 32 TC, GRIP SL, Topcap Assy, 3 Pos Adj
- 820-03-714-KIT 2025 GRIP SL, Rebound Piston Assy, 8mm Shaft
- 820-03-713-KIT 2025 GRIP SL, Bearing Housing Assy
- 820-03-712-KIT Valve Stack Assy: 2025 GRIP SL, Mid Valve, CM
- 820-03-711-KIT Valve Stack Assy: 2025 GRIP SL, Compression Light, CL
- 820-03-710-KIT 2025 GRIP SL Rebound Valving, RF
2025 32 TC GRIP
- 820-18-573-KIT 2025 32 TC 50mm MAX GRIP Black Ano Cart Assy Complete
- 2025 32 TC, 50 MAX, Grip Cart Assy .
- 820-05-695-KIT 2022 32 TC Grip Damper, Topcap Assy
- 820-03-687-KIT 2022 32 TC 50mm MAX Grip Damper Shaft Assy
- 820-03-458-KIT 2017 Grip Rebound Piston Assy, Short Travel
- 820-03-456-KIT 2017 Grip Rebound Valving, Short Travel
- 820-03-331-KIT 2017 Grip Compression Valving
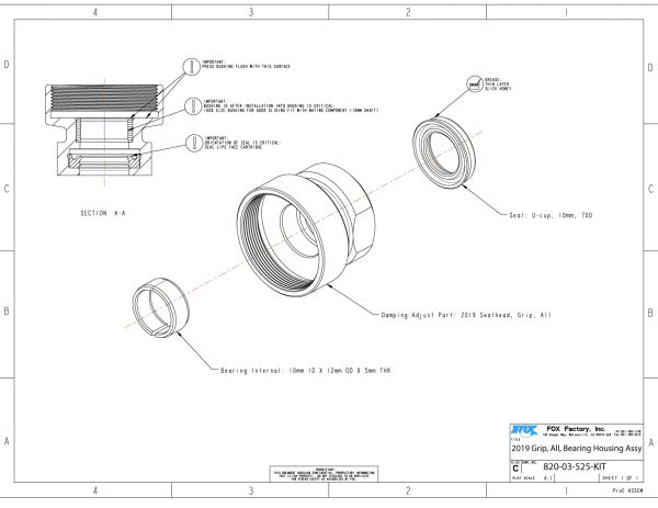
- 820-03-525-KIT 2019 Grip, All, Bearing Housing Assy
2022 32 TC FLOAT NA2
- 2022 32 TC FLOAT NA2 Air Spring Assys .
- 2022 32 TC FLOAT NA2 Air Shaft Assys .
- 820-05-694-KIT Topcap Assy, 2022 32 TC, FLOAT NA2, Black








































