PARTS & DRAWINGS
36mm Part Information
New for 2021:
| New Decals | New design on all models. |
| New Lowers | New Chassis design with axle that utilizes a bushing. **Not backwards compatible** |
| New CSU | New arch design and offset stanchion legs. **Not backwards compatible** |
| New QR15 Axle | Axle with 4mm adjuster. This was the only change on the lower assemblies. |
| New KaboltX Axle | KaboltX is specific to the 36/38 lower leg design. **Not backwards compatible** |
| New Damper | Grip2 variable valve control (VVC) on compression and rebound. |
| New Grip2 E-bike tune comp valving | Lighter than the standard tune for longer distance comfort. |
| New Air Shaft | Updated air shaft that creates a larger negative air spring. **Not backwards compatible** |
| New Mud Guard | Mud guard was designed specifically to match the new lower assembly. (not backwards compatible with previous 36 models). |
| Damper Topcap Assemblies | MY21 Damper Topcap Assemblies do not include Topcap Interface Parts. Please order the appropriate Interface Parts Kit separately. |
Maintenance:
| Service Interval | Full Service 125 Hours |
| 803-00-933 | Kit: Dust Wiper, Forx, 36mm, Low Friction, No Flange |
| 803-01-320 | Seal Kit: MY19+ 32, 34, 36, 38, 40 GRIP Cartridge Rebuild |
| 803-01-432 | Seal Kit: MY20+ ALL 36 8mm Shaft FIT4 Cartridge Rebuild |
| 803-01-494 | Seal Kit: 2021 F-S Grip2 VVC 34/36/38/40 |
| 803-01-226 | Seal Kit: 36 FLOAT NA2 Rebuild |
| 398-00-772 | Tooling: Guided Fork Seal Driver, One Piece Seal/Wiper, 36 |
| 398-00-681 | 32 Damper-side and ALL 32-34-36-38-40 Spring-side Removal Tool |
| 398-00-682 | 34-36-38-40 Damper-side Removal Tool |
| 398-00-371 | Tooling: Sealhead To Shaft Bullet, 10mm |
| 803-00-147 | Kit: Shaft Clamps, FORX, Set #2 |
| 803-00-276 | Service Kit: Hand Bleed, Syringe and Tube, 2010 32 Fit RL-RLC Cartridge |
| 803-00-830 | Service Set: Tooling: 2014 RC2, Shaft Clamps |
| 803-01-209 | Tooling: 2018 FIT4 Remote Topcap Interface Part Installation Set |
| 398-00-760 | Service Tool: Bullet, Selector Shaft, Remote, U-Cup |
| 398-00-320 | Tool: 8mm Shaft Bullet, 32 FIT Cartridge |
| 803-01-324 | Kit: Tooling: 2019 Clamps, Grip Damper, Body and Shaft |
Air Spring Tuning:
| 234-04-736 | Volume Spacer, FLOAT NA 2, 36 |
| 234-44-079 | Volume Spacer, FLOAT NA 2, 36 Rhythm and Bomber Z1 |
Oil:
| Application | Description | Part |
| FIT4 and Grip/Grip2 VVC Dampers | Oil: Suspension Fluid, 5wt, Teflon Infused, 1.0 US Quart | 025-03-023 |
| FIT4 Damper Bath Oil | Oil: AM, FOX 20 WT Gold, T22238, 32 oz | 025-03-072 |
| NA2 Air Chamber/Float Side Bath Oil | Oil: AM, FOX 20 WT Gold, T22238, 32 oz | 025-03-072 |
| Bath Oil Application | Bath Oil Volume |
| FLOAT NA2 Air Chamber | 3cc (FOX 20wt. Gold Oil) |
| All Air Side Bath | 10cc (FOX 20wt. Gold Oil) |
| FIT4 Damper Side Bath | 15cc (FOX 20wt. Gold Oil) |
| Grip/Grip2 VVC Damper Side Bath | 40cc (5wt. FOX Teflon Infused Oil) |
Remotes:
| 820-05-611-KIT | Service Set: 2020 Grip Push-Lock Remote, Topcap Interface Parts |
| 820-05-560-KIT | Service Set: 2020 Grip PTU Remote, Topcap Interface Parts |
| 820-05-455-KIT | Service Set: 2018 FIT4 TopCap Interface Parts F-S Remote, U-Cup, Push-Unlock |
| 820-05-456-KIT | Service Set: 2018 FIT4 TopCap Interface Parts F-S Remote, U-Cup, Push-Lock |
| 820-07-150-KIT | Lever Housing Assy: 2018 Remote Lockout, 2 Position, Dual Pull |
| 820-07-151-KIT | Lever Housing Assy: 2018 Remote Lockout, 2 Position, Single Pull |
CSUs:
| Part Number | Description |
| 820-12-042-KIT | Service Set: 2018 36 26in 180, Kashima, Fox Matte Black, 37 Rake, 1.5T CSU Assy |
| 820-12-043-KIT | Service Set: 2018 36 26in 180, Kashima, Fox Matte Black, 37 Rake, 1-1/8 CSU Assy |
| 820-12-113-KIT | Service Set: 2019 36 Rhythm, 15x110QR, Black Ano UT, 4mm OS, Matte Black, CSU |
| 820-12-115-KIT | Service Set: 2019 36 Rhythm, 15x110QR, Black Ano UT, 4mm OS, Shiny Black, CSU |
| 820-12-116-KIT | Service Set: 2019 36 Rhythm, 15x110QR, Black Ano UT, 11mm OS, Matte Black, CSU (44 Rake) |
| 820-12-118-KIT | Service Set: 2019 36 Rhythm, 15x110QR, Black Ano UT, 11mm OS, Shiny Black, CSU (44 Rake) |
| 820-12-119-KIT | Service Set: 2019 36 Rhythm, 15x110QR, Black Ano UT, 18mm OS, Matte Black, CSU (51 Rake) |
| 820-12-121-KIT | Service Set: 2019 36 Rhythm, 15x110QR, Black Ano UT, 18mm OS, Shiny Black, CSU (51 Rake) |
| 820-12-290-KIT | Service Set: 2021 36 27.5in and 29in 170 15x110 Kashima Matte Black 1.5T 2mm OS (37 Rake) CSU |
| 820-12-292-KIT | Service Set: 2021 36 27.5in and 29in 170 15x110 Kashima Shiny Black 1.5T 2mm OS (37 Rake) CSU |
| 820-12-293-KIT | Service Set: 2021 36 27.5in and 29in 170 15x110 Kashima Matte Black 1.5T 9mm OS (44 Rake) CSU |
| 820-12-295-KIT | Service Set: 2021 36 27.5in and 29in 170 15x110 Kashima Shiny Black 1.5T 9mm OS (44 Rake) CSU |
| 820-12-296-KIT | Service Set: 2021 36 29in 170 15x110 Kashima Matte Black 1.5T 16mm OS (51 Rake) CSU |
| 820-12-298-KIT | Service Set: 2021 36 29in 170 15x110 Kashima Shiny Black 1.5T 16mm OS (51 Rake) CSU |
| 820-12-299-KIT | Service Set: 2021 36 27.5in and 29in 170 15x110 Black Ano Matte Black 1.5T 2mm OS (37 Rake) CSU |
| 820-12-301-KIT | Service Set: 2021 36 27.5in and 29in 170 15x110 Black Ano Shiny Black 1.5T 2mm OS (37 Rake) CSU |
| 820-12-302-KIT | Service Set: 2021 36 27.5in and 29in 170 15x110 Black Ano Matte Black 1.5T 9mm OS (44 Rake) CSU |
| 820-12-304-KIT | Service Set: 2021 36 27.5in and 29in 170 15x110 Black Ano Shiny Black 1.5T 9mm OS (44 Rake) CSU |
| 820-12-305-KIT | Service Set: 2021 36 29in 170 15x110 Black Ano Matte Black 1.5T 16mm OS (51 Rake) CSU |
| 820-12-307-KIT | Service Set: 2021 36 29in 170 15x110 Black Ano Shiny Black 1.5T 16mm OS (51 Rake) CSU |
Lower Legs:
| Part Number | Description |
| 820-10-513-KIT | Service Set: 2017 36 26in 180 w/15mm Pinch Axle, Fox Matte Black, F-S PE-S, Lower Leg Assy |
| 820-20-055-KIT | Service Set: 2021 Fox 36 27.5in 130-170, 15x110 QR, F-S PE-S, Matte Black, Lower Leg Assy |
| 820-20-057-KIT | Service Set: 2021 Fox 36 27.5in 130-170, 15x110 QR, F-S PE-S, Shiny Black, Lower Leg Assy |
| 820-20-058-KIT | Service Set: 2021 Fox 36 27.5in 130-170, 15x110 QR, F-S PE-S, Shiny Orange, Lower Leg Assy |
| 820-20-064-KIT | Service Set: 2021 Fox 36 27.5in 130-170, 15x110 Blk Ano Pinch-Kabolt, F-S PE-S, RBF Brown, Lower Leg Assy |
| 820-20-136-KIT | Service Set: 2021 36 27.5in 180 15x110 QR, Fox Matte Black, Rhythm, Lower Leg Assy |
| 820-20-138-KIT | Service Set: 2021 36 27.5in 180 15x110 QR, Fox Shiny Black, Rhythm, Lower Leg Assy |
| 820-20-035-KIT | Service Set: 2021 Fox 36 29in 130-170, 15x110 QR, F-S PE-S, Matte Black, Lower Leg Assy |
| 820-20-037-KIT | Service Set: 2021 Fox 36 29in 130-170, 15x110 QR, F-S PE-S, Shiny Black, Lower Leg Assy |
| 820-20-038-KIT | Service Set: 2021 Fox 36 29in 130-170, 15x110 QR, F-S PE-S, Shiny Orange, Lower Leg Assy |
| 820-20-044-KIT | Service Set: 2021 Fox 36 29in 130-170, 15x110 Blk Ano Pinch-Kabolt, F-S PE-S, RBF Brown, Lower Leg Assy |
| 820-20-134-KIT | Service Set: 2021 36 29in 170 15x110 QR Fox Shiny Black Lower Leg Assy, Rhythm |
| 820-20-135-KIT | Service Set: 2021 36 29in 170 15x110 QR Fox Matte Black Lower Leg Assy, Rhythm |
Axles:
| Part | Description |
| 820-09-071-KIT | Service Set: 2021 36-38 15x110 KaboltX Pinch-axle Assembly |
| 820-09-063-KIT | Service Set: 2020 FOX-Marzocchi 15x110 QR Adjust Axle Assembly |
Lower Leg Small Parts:
| Part | Description |
| 803-01-548 | Service Set: 2021 36/38 15QR Hardware |
| 803-01-811 | Service Set: 2021 36/38 KaboltX Hardware |
| 820-00-202-KIT | Service Set: Light Disc Brake Hose Guide Parts |
| 820-09-067-KIT | Service Set: 2021 Pressure Release Button, Lower Leg, F-S |
| 803-01-441 | Assembly: Mud Guard, MY21 36-38, Black, AM |
Decals:
| Part | Description |
| 803-01-521 | Decal Kit: 2021, 36, F-S, Orange Logo, Shiny Black Fork |
| 803-01-522 | Decal Kit: 2021, 36, F-S, Black Logo, Shiny Orange Fork |
| 803-01-523 | Decal Kit: 2021, 36, F-S, Root Beer Float Logo, Root Beer Fork |
| 803-01-524 | Decal Kit: 2021, 36, F-S, 26in, Orange Logo, Matte Black Fork |
| 803-01-525 | Decal Kit: 2021, 36, P-SE, Gray Logo, Matte Black Fork |
| 803-01-526 | Decal Kit: 2021, 36, P-S, Gray Logo, Matte Black Fork |
| 803-01-527 | Decal Kit: 2021, 36, Rhythm, Gray Logo, Matte Black Fork |
Complete Cartridges:
| Part | Description |
| 820-18-028-KIT | Service Set: 2019 36 Rhythm, 180 MAX, Grip Cart Assy Complete |
| 820-18-138-KIT | Service Set: 2019 36 27.5 & 29 180 MAX, Grip E-Bike Cart Assy Complete |
| 820-18-091-KIT | Service Set: 2019 36 27.5 & 29 180 MAX, P-S Grip Cart Assy Complete |
| 820-18-242-KIT | Service Set: 2020 36, 140-180, FIT4 F-S, 3 Pos Adj Cart Assy Complete |
| 820-18-160-KIT | Service Set: 2020 36 180 Max, Grip PTU Remote Cart Assy Complete |
| 820-18-244-KIT | Service Set: 2020 36, 140-180, FIT4 F-S, Remote, 2 Pos Adj, Push-Unlock Cart Assy Complete |
| 820-18-245-KIT | Service Set: 2020 36, 140-180, FIT4 F-S, Remote, 3 Pos Adj Cart Assy Complete |
| 820-18-253-KIT | Service Set: 2020 36, 120-180, FIT4 F-S, CL Tune, Remote, 3 Pos Adj Cart Assy Complete |
| 820-18-277-KIT | Service Set: 2020 36, 180 MAX, Grip Push-Lock Remote Cart Assy Complete |
| 820-18-278-KIT | Service Set: 2020 36 180 MAX, Grip E-Bike+ Push-Lock Remote Cart Assy Complete |
| 820-18-335-KIT | Service Set: 2021 36 180, Grip2 VVC HSR / LSR / HSC/ LSC Cart Assy Complete |
| 820-18-343-KIT | Service Site: 2020 36 27.5 & 29 180 MAX, P-S Grip Cart Assy Complete, Light Reb |
| 820-18-401-KIT | Service Site: 2021 36 180, Grip2 VVC HSR / LSR / HSC/ LSC Cart Assy Complete, Reb Light |
Cartridge Topcap Assemblies:
| Part | Description |
| 820-05-509-KIT | Service Set: 2019 36 180 MAX, Grip Damper, Topcap Assy |
| 820-05-608-KIT | Service Set: 2020 36 180 MAX, Grip Remote, Topcap Assy |
| 820-05-595-KIT | Service Set: 2020 36 FIT4 F-S Topcap Assy, Black Ano |
| 820-05-596-KIT | Service Set: 2020 36 FIT4 F-S Topcap Assy, Remote, U-Cup, 2 Position, Push-Lock |
| 820-05-597-KIT | Service Set: 2020 36 FIT4 F-S Topcap Assy, Remote, U-Cup, 2 Position, Push-Unlock |
| 820-05-598-KIT | Service Set: 2020 36 FIT4 F-S Topcap Assy, Remote, U-Cup, 3 Position |
| 820-05-664-KIT | Service Set: 2021 36 Grip2 VVC TPP Damper, Topcap Assy |
Topcap Interface Parts:
| Part | Description |
| 820-05-330-KIT | 2016 FIT4 TopCap Interface Parts F-S |
| 820-05-455-KIT | Service Set: 2018 FIT4 TopCap Interface Parts F-S Remote, U-Cup, Push-Unlock |
| 820-05-456-KIT | Service Set: 2018 FIT4 TopCap Interface Parts F-S Remote, U-Cup, Push-Lock |
| 820-05-611-KIT | Service Set: 2020 Grip Push-Lock Remote, Topcap Interface Parts |
| 820-05-560-KIT | Service Set: 2020 Grip PTU Remote, Topcap Interface Parts |
| 820-05-623-KIT | Service Set: 2020 Grip 34 & 36 P-S Topcap Interface Parts |
| 820-05-669-KIT | Service Set: 2021 Grip2 VVC HSC / LSC Topcap Interface Parts |
| 820-05-670-KIT | Service Set: 2021 Grip2 VVC HSC / LSC Topcap Interface Parts, Black Ano |
Bottom Stud Interface Parts:
| Part | Description |
| 820-05-377-KIT | Service Set:2016 FIT4 Bottom Stud Interface Parts 36, 38 and 40 |
| 820-05-518-KIT | Service Set: 2019 36 Grip Bottom Stud Interface Parts |
| 820-05-501-KIT | Service Set: 2019 Grip2 HSR / LSR Bottom Stud Interface Parts |
FLOAT NA2 Air Shaft Assemblies:
| Part | Description |
| 820-02-575-KIT | Service Set: Air Shaft Assy, 2021 36 130mm Float NA2, F-S, PS-E & P-S (1.287 Bore) |
| 820-02-574-KIT | Service Set: Air Shaft Assy, 2021 36 140mm Float NA2, F-S, PS-E & P-S (1.287 Bore) |
| 820-02-573-KIT | Service Set: Air Shaft Assy, 2021 36 150mm Float NA2, F-S, PS-E & P-S (1.287 Bore) |
| 820-02-572-KIT | Service Set: Air Shaft Assy, 2021 36 160mm Float NA2, Spec Ed, F-S, PS-E & P-S (1.287 Bore) |
| 820-02-586-KIT | Service Set: Air Shaft Assy, 2021 36 170mm Float NA2, Spec Ed, F-S, PS-E & P-S (1.287 Bore) |
| 820-02-550-KIT | Service Set: Air Shaft Assy, 2019, 36 Rhythm, 130mm, 1.275 Bore, No Spacer |
| 820-02-549-KIT | Service Set: Air Shaft Assy, 2019, 36 Rhythm, 140mm, 1.275 Bore, No Spacer |
| 820-02-548-KIT | Service Set: Air Shaft Assy, 2019, 36 Rhythm, 150mm, 1.275 Bore, No Spacer |
| 820-02-547-KIT | Service Set: Air Shaft Assy, 2019, 36 Rhythm, 160mm, 1.275 Bore, No Spacer |
| 820-02-546-KIT | Service Set: Air Shaft Assy, 2019, 36 Rhythm, 170mm, 1.275 Bore, No Spacer |
| 820-02-545-KIT | Service Set: Air Shaft Assy, 2019, 36 Rhythm, 180mm, 1.275 Bore, No Spacer |
FLOAT NA2 Topcap Assemblies:
| Part | Description |
| 820-05-533-KIT | Service Set: Topcap Assy, 2018 FLOAT LC NA2, 36, Better VS Fit, Black |
| 234-04-550 | (T) Spring Hardware: 2014 36 FLOAT Air Topcap, Al, Blue Ano |
| 234-04-553 | (T) Spring Hardware: 2014 36 FLOAT Air Topcap, Al, Black Ano |
FLOAT NA2 Neg Plate Subassemblies:
| Part | Description |
| 820-02-544-KIT | Service Set: Neg Plate Subassembly, 2019, 36 Rhythm, 1.275 Bore, No Spacer |
| 820-02-587-KIT | Service Set: Neg Plate Subassembly, 2021 36 Std MTB Float NA2, All Travel, 1.287 Bore, Aluminum |
2021 36 FIT4 3POS ADJ
- 820-18-242-KIT 2020 36 140-180 FIT4 F-S 3POS ADJ CART ASSY COMPLETE
- 2020 36 140-180 FIT4 F-S 3POS ADJ CART ASSY .
- 820-03-258-KIT 2017 FIT4 Lightweight Topcap Parts
- 820-03-606-KIT 2020 36 FIT4 8MM DAMPER SHAFT ASSY
- 820-03-609-KIT 2020 36 FIT4 8MM BLADDER ASSY
- 820-03-610-KIT 2020 FIT4 Rebound Piston Assy, 8mm Shaft
- 820-03-613-KIT 2020 FIT4 Compression Valving Assy, 8mm Shaft
- 820-05-595-KIT 2020 36 FIT4 F-S TOPCAP ASSY BLACK ANO
2021 36 FIT4 REMOTE
- 2021 36 FIT4 F-S REMOTE CARTRIDGE ASSEMBLIES COMPLETE .
- 2021 36 FIT4 F-S REMOTE CARTRIDGE ASSEMBLIES .
- 2021 36 FIT4 F-S REMOTE TOPCAP ASSEMBLIES .
- 2021 36 FIT4 REMOTE TOPCAP PARTS .
- 820-03-606-KIT 2020 36 FIT4 8MM DAMPER SHAFT ASSY
- 820-03-609-KIT 2020 36 FIT4 8MM BLADDER ASSY
- 820-03-610-KIT 2020 FIT4 Rebound Piston Assy, 8mm Shaft
- 820-03-613-KIT 2020 FIT4 Compression Valving Assy, 8mm Shaft
- 820-03-624-KIT 2020 FIT4 Compression Valving Assy, CL tune, 8mm Shaft
2021 36 GRIP2
- 2021 36 GRIP2 VVC CARTRIDGE ASSEMBLIES COMPLETE .
- 2021 36 GRIP2 CARTRIDGE ASSEMBLIES .
- 2021 36 VVC HSR/LSR DAMPER SHAFT ASSEMBLIES .
- 2021 GRIP2 VVC HSR/LSR REBOUND PISTON ASSEMBLIES .
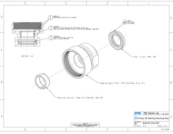
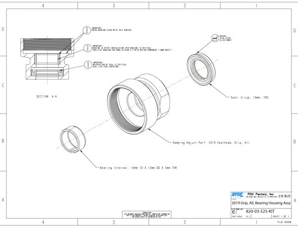
- 820-03-525-KIT 2019 Grip, All, Bearing Housing Assy
- 820-03-526-KIT 2019 GRIP2 REBOUND VALVING, LONG TRAVEL
- 820-03-642-KIT 2020 GRIP2 REBOUND VALVING, LIGHT
- 820-03-660-KIT 2021 GRIP2 VVC TPP COMPRESSION VALVING
- 820-03-677-KIT 2021 Grip2 VVC TTP E-Bike tune Compression Valving
- 820-05-664-KIT 2021 36 GRIP2 VVC TPP DAMPER TOPCAP ASSY
2021 36 GRIP
- 2021 36 GRIP CARTRIDGE ASSEMBLIES COMPLETE .
- 2021 36 GRIP CARTRIDGE ASSEMBLIES .
- 2021 36 GRIP DAMPER SHAFT ASSEMBLIES .
- 2021 36 GRIP TOPCAP ASSEMBLIES .
- 820-03-330-KIT 2017 Grip Rebound Piston Assy
- 820-03-331-KIT Compression Valving, Grip Damper
- 820-03-457-KIT 2017 Grip Rebound Valving, Long Travel
- 820-03-525-KIT 2019 Grip, All, Bearing Housing Assy
- 820-03-589-KIT 2019 Grip E-Bike Compression Valving
- 820-03-590-KIT 2019 GRIP E-BIKE REBOUND VALVING
- 820-03-645-KIT 2020 GRIP REBOUND VALVING, LIGHT TUNE
- 820-03-591-KIT 2019 GRIP E-BIKE REBOUND PISTON ASSY
- 820-03-646-KIT 2020 GRIP REBOUND PISTON ASSY LIGHT TUNE
2021 36 GRIP REMOTE
- 2021 36 GRIP REMOTE CARTRIDGE ASSEMBLIES COMPLETE .
- 2021 36 GRIP REMOTE CARTRIDGE ASSEMBLIES .
- 2021 36 GRIP REMOTE DAMPER SHAFT ASSEMBLIES .
- 2021 36 GRIP REMOTE TOPCAP ASSEMBLIES .
- 820-03-330-KIT 2017 Grip Rebound Piston Assy
- 820-03-457-KIT 2017 Grip Rebound Valving, Long Travel
- 820-03-525-KIT 2019 Grip, All, Bearing Housing Assy
- 820-03-590-KIT 2019 GRIP E-BIKE REBOUND VALVING
- 820-03-616-KIT 2020 Grip Remote Compression Valving
- 820-03-617-KIT 2020 GRIP REMOTE E-BIKE COMPRESSION VALVING
2021 36 RHYTHM GRIP
- 2019 36 RHYTHM 180 MAX GRIP CART ASSY COMPLETE .
- 2019 36 RHYTHM 180 MAX GRIP CART ASSY .
- 820-03-330-KIT 2017 Grip Rebound Piston Assy
- 820-03-331-KIT Compression Valving, Grip Damper
- 820-03-457-KIT 2017 Grip Rebound Valving, Long Travel
- 820-03-525-KIT 2019 Grip, All, Bearing Housing Assy
- 820-03-568-KIT 2019 36 180 MAX GRIP DAMPER SHAFT ASSY
- 820-05-509-KIT 2019 36 180 MAX GRIP DAMPER TOPCAP ASSY
2021 36 FLOAT NA2
- 2021 36 FLOAT NA2 AIR SPRING ASSEMBLIES .
- 2021 36 FLOAT NA2 AIR SHAFT ASSEMBLIES .
- 820-02-587-KIT NEG PLATE SUBASSEMBLY 2021 36 STD MTB FLOAT NA2 ALL TRAVELS 1.287' BORE ALUMINUM
- 820-05-533-KIT TOPCAP ASSY 2018 FLOAT LC NA2 36 BETTER VS FIT, BLACK
2021 36 RHYTHM FLOAT NA2
- 2021 36 RHYTHM FLOAT NA2 AIR SPRING ASSEMBLIES .
- 2021 36 RHYTHM FLOAT NA2 AIR SHAFT ASSEMBLIES .
- 820-02-544-KIT NEG PLATE SUBASSEMBLY 2019 36 RHYTHM 1.275 BORE NO SPACER
- 820-05-419-KIT TOPCAP ASSY 2018 FLOAT LC NA2 36 BLACK
NOTE: Parts without part numbers listed are not available individually and must be ordered as part of a complete assembly or "-KIT". Please order the "-KIT" part number listed at the bottom right corner of the drawing in which a desired individual part is shown.





































































































































