PARTS & DRAWINGS
32mm Step-Cast Part Information
New for 2021:
| New Decals | New design on all models |
| New Lowers | Shiny Black Lowers are new for 2021 |
| New Top Cap Assemblies/Complete Dampers | No change to dampers, just new part numbers |
| Damper Topcap Assemblies | MY21 Damper Topcap Assemblies do not include Topcap Interface Parts. Please order the appropriate Interface Parts Kit separately. |
Maintenance:
| Service Interval | Full Service 125 Hours |
| 803-00-944 | Kit: Dust Wiper, Forx, 32mm, Low Friction, No Flange |
| 803-01-320 | Seal Kit: MY19+ 32, 34, 36, 38, 40 GRIP Cartridge Rebuild |
| 803-01-323 | Seal Kit: MY19+ 32/34 SC 8mm shaft FIT4 Cartridge Rebuild |
| 803-00-962 | Seal Kit: 32 FLOAT NA2 Rebuild |
| 398-00-681 | 32 Damper-side and ALL 32-34-36-38-40 Spring-side Removal Tool |
| 398-00-770 | Tooling: Guided Fork Seal Driver, One Piece Seal/Wiper, 32 |
| 803-00-147 | Kit: Shaft Clamps, 07 FORX, Set #2 (32 X Body, 36, 40 Forx) |
| 803-00-276 | Service Kit: Hand Bleed, Syringe and Tube, 2010 32 Fit RL-RLC Cartridge |
| 398-00-320 | Tool: 8mm Shaft Bullet, 32 FIT Cartridge |
| 803-01-209 | Kit: Tooling: 2018 FIT4 Remote Topcap Interface Part Installation Set |
| 398-00-760 | Service Tool: Bullet, Selector Shaft, Remote, U-Cup |
| 803-01-324 | Kit: Tooling: 2019 Clamps, Grip Damper, Body and Shaft |
Air Spring Tuning:
| 234-04-811 | Volume Spacer, FLOAT NA 2, 32 |
Oils:
| Application | Description | Part # |
| All Dampers Grip & FIT | Oil: Suspension Fluid, 5wt, Teflon Infused, 1.0 US Quart | 025-03-023 |
| All non-GRIP bath oil and FLOAT NA2 Air Chamber | Oil: AM, FOX 20 WT Gold, T22238, 32 oz | 025-03-072 |
| Bath Oil Application | Bath Oil Volume |
| GRIP Damper-Side Bath | 40cc (5wt FOX Teflon Infused Oil) |
| RHYTHM GRIP Damper-Side Bath | 30cc (5wt FOX Teflon Infused Oil) |
| FIT4 Damper-Side Bath | 15cc (FOX 20wt Gold Oil) |
| 32mm FLOAT SC AX 40 Air-Side Bath | 8cc (FOX 20wt Gold Oil) |
| 32mm FLOAT SC 80-100 Air-Side Bath | 8cc (FOX 20wt Gold Oil) |
| All Float NA2 and RHYTHM Air Chamber | 3cc (FOX 20wt Gold Oil) |
Remotes:
| Part | Description |
| 820-05-456-KIT | Service Set: 2018 FIT4 TopCap Interface Parts F-S Remote, U-Cup, Push-Lock |
| 820-05-455-KIT | Service Set: 2018 FIT4 TopCap Interface Parts F-S Remote, U-Cup, Push-Unlock |
| 820-05-560-KIT | Service Set: 2020 Grip PTU Remote, Topcap Interface Parts |
| 820-05-611-KIT | Service Set: 2020 Grip Push-Lock Remote, Topcap Interface Parts |
| 820-07-150 | Lever Housing Assy: 2018 Remote Lockout, 2 Position, Dual Pull |
| 820-07-151 | Lever Housing Assy: 2018 Remote Lockout, 2 Position, Single Pull |
CSUs:
| Part Number | Description |
| 820-12-218-KIT | Service Set: 2020 32 27.5 & 29in 80-100 SC Kashima Fox Matte Black Alum 14mm OS (44 Rake) 1.5 Taper CSU |
| 820-12-221-KIT | Service Set: 2020 32 27.5 & 29in 80-100 SC Black Ano Fox Matte Black Alum 14mm OS (44 Rake) 1.5 Taper CSU |
| 820-12-224-KIT | Service Set: 2020 32 29in 80-100 SC Kashima Fox Matte Black Alum 21mm OS (51 Rake) 1.5 Taper CSU |
| 820-12-227-KIT | Service Set: 2020 32 29in 80-100 SC Black Ano Fox Matte Black Alum 21mm OS (51 Rake) 1.5 Taper CSU |
| 820-12-220-KIT | Service Set: 2020 32 27.5 & 29in 80-100 SC Kashima Fox Shiny Black Alum 14mm OS (44 Rake) 1.5 Taper CSU |
| 820-12-223-KIT | Service Set: 2020 32 27.5 & 29in 80-100 SC Black Ano Fox Shiny Black Alum 14mm OS (44 Rake) 1.5 Taper CSU |
| 820-12-226-KIT | Service Set: 2020 32 29in 80-100 SC Kashima Fox Shiny Black Alum 21mm OS (51 Rake) 1.5 Taper CSU |
| 820-12-229-KIT | Service Set: 2020 32 29in 80-100 SC Black Ano Fox Shiny Black Alum 21mm OS (51 Rake) 1.5 Taper CSU |
Lower Legs:
| Part Number | Description |
| 820-10-601-KIT | Service Set: 2017 32 29in 80-100 SC 15X110QR CL Fox Matte Black Lower Leg Assy |
| 820-10-603-KIT | Service Set: 2017 32 29in 80-100 SC 15X110QR CL Fox Shiny Black Lower Leg Assy |
| 820-10-607-KIT | Service Set: 2017 32 29in 80-100 SC 15X110QR CL Fox Shiny Orange Lower Leg Assy |
| 820-10-608-KIT | Service Set: 2017 32 29in 80-100 SC 15x110 Black Kabolt CL, Matte Black Lower Leg Assy |
| 820-10-610-KIT | Service Set: 2017 32 29in 80-100 SC 15x110 Black Kabolt CL, Shiny Black Lower Leg Assy |
| 820-10-611-KIT | Service Set: 2017 32 29in 80-100 SC 15x110 Black Kabolt CL, Shiny Orange Lower Leg Assy |
| 820-10-739-KIT | Service Set: 2018 32 29in 80-100 SC 15x100QR Fox Matte Black Lower Leg Assy, P-S |
| 820-10-644-KIT | Service Set: 2017 32 29in 80-100 SC 15x100 Black Kabolt CL, Shiny Black SC Lower Leg Assy |
| 820-10-618-KIT | Service Set: 2017 32 27.5in 80-100 SC 15X110QR CL Fox Matte Black Lower Leg Assy |
| 820-10-620-KIT | Service set: 2017 32 27.5in 80-100 SC 15X110QR CL Fox Shiny Black Lower Leg Assy |
| 820-10-625-KIT | Service Set: 2017 32 27.5in 80-100 SC 15x110 Black Kabolt CL, Matte Black Lower Leg Assy |
| 820-10-659-KIT | Service Set: 2017 32 27.5in 80-100 SC 15x100 Black Kabolt CL, Matte Black SC Lower Leg Assy |
| 820-10-661-KIT | Service Set: 2017 32 27.5in 80-100 SC 15x100 Black Kabolt CL, Shiny Black SC Lower Leg Assy |
Axles:
| Part | Description |
| 820-09-013-KIT | Service Set: Axle Assembly, 2016 15QRx110, Factory and Performance, Black Ano |
| 820-09-014-KIT | Service Set: Axle Assembly, 2016 15QRx100, Factory and Performance, Black Ano |
| 820-09-018-KIT | Service Set: Axle Assembly: 15 X 100mm Kabolt, Black Ano |
| 820-09-019-KIT | Service Set: Axle Assembly: 15 X 110mm Kabolt, Black Ano |
| 820-09-022-KIT | Service Set: Axle Assembly: 15 X 100mm Kabolt, Orange Ano |
| 820-09-023-KIT | Service Set: Axle Assembly: 15 X 110mm Kabolt, Orange Ano |
Lower Leg Small Parts:
| Part | Description |
| 803-00-370 | Service Set: 15QR Hardware (Contains: Axle nut, hold down, and set screw) |
Decals:
| Part | Description |
| 803-01-502 | Decal Kit: 2021, 32 SC, F-S, Black Logo, Shiny Orange Fork |
| 803-01-503 | Decal Kit: 2021, 32 SC, F-S, Orange/Black Logo, Shiny Black Fork |
| 803-01-504 | Decal Kit: 2021, 32 SC, P-Se, Gray Logo, Matte Black Fork |
| 803-01-505 | Decal Kit: 2021, 32 SC, P-S, Gray Logo, Matte Black Fork |
Complete Cartridges:
| Part Number | Description |
| 820-18-105-KIT | Service Set: 2019 32 27.5in SC 80-100, Grip Cart Assy Complete |
| 820-18-106-KIT | Service Set: 2019 32 29in SC 80-100, Grip Cart Assy Complete |
| 820-18-177-KIT | Service Set: 2020 32 27.5in SC 80-100, Grip PTU Remote Cart Assy Complete |
| 820-18-178-KIT | Service Set: 2020 32 29in SC 80-100, Grip PTU Remote Cart Assy Complete |
| 820-18-255-KIT | Service Set: 2020 32 27.5in SC 80-100, Grip Push-Lock Remote Cart Assy Complete |
| 820-18-256-KIT | Service Set: 2020 32 29in SC 80-100, Grip Push-Lock Remote Cart Assy Complete |
| 820-18-362-KIT | Service Set: 2021 32 SC 29in 100 Max FIT4, Complete, Black Ano, 3 Pos Adj |
| 820-18-363-KIT | Service Set: 2021 32 SC 27.5in 100 Max FIT4, Complete, Black Ano, 3 Pos Adj |
| 820-18-364-KIT | Service Set: 2021 32 SC 29in 100 Max FIT4, Remote, Complete, Black Ano, Push to Unlock, U-Cup, 2 Position |
| 820-18-365-KIT | Service Set: 2021 32 SC 27.5in 100 Max FIT4, Remote, Complete, Black Ano, Push to Unlock, U-Cup, 2 Position |
| 820-18-366-KIT | Service Set: 2021 32 SC 29in 100 Max FIT4, Remote, Complete, Black Ano, Push to Lock, U-Cup, 2 Position |
| 820-18-367-KIT | Service Set: 2021 32 SC 27.5in 100 Max FIT4, Remote, Complete, Black Ano, Push to Lock, U-Cup, 2 Position |
| 820-18-368-KIT | Service Set: 2021 32 SC 29in 100 Max FIT4, Remote, Complete, Black Ano, Push to Lock, U-Cup, 3 Position |
Cartridge Topcap Assemblies:
| Part | Description |
| 820-05-522-KIT | Service Set: 2019 32 SC, Grip, Topcap Assy |
| 820-05-604-KIT | Service Set: 2020 32 SC, Grip Remote, Topcap Assy |
| 820-05-658-KIT | 2021 32 SC FIT4 Topcap Assy, 3 Pos Adj |
| 820-05-659-KIT | 2021 32 SC FIT4 Topcap Assy, Remote U-Cup, 2 Position, Push-Unlock |
| 820-05-660-KIT | 2021 32 SC FIT4 Topcap Assy, Remote U-Cup, 2 Position, Push-Lock |
| 820-05-661-KIT | 2021 32 SC FIT4 Topcap Assy, Remote U-Cup, 3 Position |
Topcap Interface Parts:
| Part | Description |
| 820-05-330-KIT | 2016 FIT4 TopCap Interface Parts F-S |
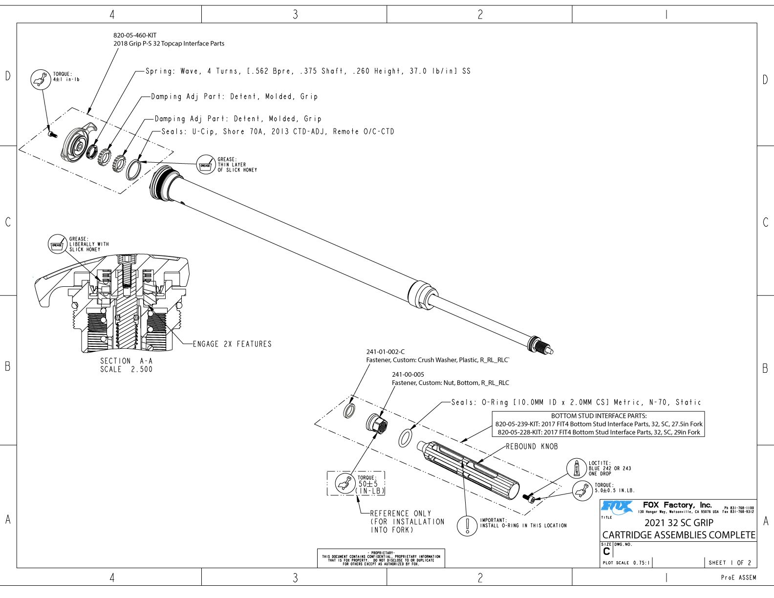
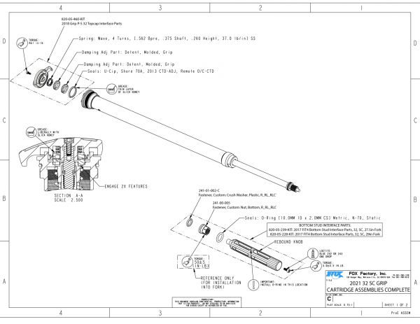
| 820-05-460-KIT | Service Set: 2018 Grip P-S 32 Topcap Interface Parts |
| 820-05-456-KIT | 2018 FIT4 TopCap Interface Parts F-S Remote, U-Cup, Push-Lock |
| 820-05-455-KIT | Service Set: 2018 FIT4 TopCap Interface Parts F-S Remote, U-Cup, Push-Unlock |
| 820-05-560-KIT | Service Set: 2020 Grip PTU Remote, Topcap Interface Parts |
| 820-05-611-KIT | Service Set: 2020 Grip Push-Lock Remote, Topcap Interface Parts |
Bottom Stud Interface Parts:
| Part | Description |
| 820-05-239-KIT | 2017 FIT4 Bottom Stud Interface Parts, 32, SC, 27.5in Fork |
| 820-05-228-KIT | 2017 FIT4 Bottom Stud Interface Parts, 32, SC, 29in Fork |
FLOAT NA2 Air Shaft Assemblies:
| Part | Description |
| 820-02-533-KIT | Service Set: Air Shaft Assy, 2019, 32 SC, 80mm, FLOAT LC NA 2, 1.132 Bore, Al NP |
| 820-02-532-KIT | Service Set: Air Shaft Assy, 2019, 32 SC, 100mm, FLOAT LC NA 2, 1.132 Bore, Al NP |
| 820-02-555-KIT | Service Set: Air Shaft Assy, 2019, 32 SC, 40mm, FLOAT LC NA 2, 1.132 Bore, Al NP |
FLOAT NA2 Topcaps:
| Part | Description |
| 820-05-417-KIT | Topcap Assy, 2018, FLOAT LC NA 2, 32, Black, SC |
FLOAT NA2 Neg Plate Subassemblies:
| Part | Description |
| 820-02-531-KIT | Service Set: Neg Plate Subassembly, 2019 FLOAT LC NA 2, 32 SC, 1.132 Bore, Aluminum |
2021 32 SC FIT4 3POS ADJ
- 2021 32 SC 100 MAX FIT4 3POS ADJ BLACK ANO CARTRIDGE ASSEMBLIES COMPLETE .
- 2021 32 SC 27.5in AND 29in 100 MAX FIT4 3 POS ADJ CART ASSY .
- 820-05-658-KIT 2021 32 SC FIT4 TOPCAP ASSY, 3 POS ADJ
- 820-03-575-KIT 2019 FIT4 SC Compression Valving Assy 8mm Shaft
- 820-03-574-KIT 2019 32 SC 27.5in and 29in 100 MAX FIT4 Damper Shaft Assy 8mm Shaft
- 820-03-563-KIT 2019 SC FIT4 Rebound Piston Assy 8mm Shaft
- 820-03-562-KIT 2019 32/34 SC FIT4 Rebound Adjuster Assy 8mm Shaft
- 820-03-281-KIT 2017 32 27.5in and 29in 80-100 FIT4 Lightweight Bladder Assy
- 820-03-258-KIT 2017 FIT4 Lightweight Topcap Parts
2021 32 SC FIT4 REMOTE
- 2021 32 SC FIT4 REMOTE CARTRIDGE ASSEMBLIES COMPLETE .
- 2021 32 SC FIT4 REMOTE CARTRIDGE ASSEMBLIES .
- 2021 32 SC FIT4 REMOTE TOPCAP ASSEMBLIES .
- 820-03-575-KIT 2019 FIT4 SC Compression Valving Assy 8mm Shaft
- 820-03-574-KIT 2019 32 SC 27.5in and 29in 100 MAX FIT4 Damper Shaft Assy 8mm Shaft
- 820-03-563-KIT 2019 SC FIT4 Rebound Piston Assy 8mm Shaft
- 820-03-562-KIT 2019 32/34 SC FIT4 Rebound Adjuster Assy 8mm Shaft
- 820-03-281-KIT 2017 32 27.5in and 29in 80-100 FIT4 Lightweight Bladder Assy
- 2021 32 SC FIT4 REMOTE TOPCAP PARTS .
2021 32 SC GRIP
- 2021 32 SC GRIP CARTRIDGE ASSEMBLIES COMPLETE .
- 2021 32 SC GRIP CARTRIDGE ASSEMBLY .
- 820-05-522-KIT 2019 32 SC Grip Topcap Assy
- 820-03-587-KIT 2019 32 SC GRIP DAMPER SHAFT ASSY
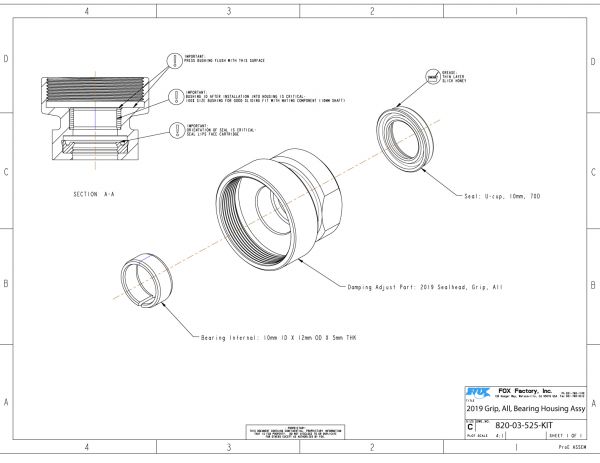
- 820-03-525-KIT 2019 Grip, All, Bearing Housing Assy
- 820-03-458-KIT 2017 Grip Rebound Piston Assy, Short Travel
- 820-03-456-KIT 2017 Grip Rebound Valving, Short Travel
- 820-03-331-KIT Compression Valving, Grip Damper
2021 32 SC GRIP REMOTE
- 2021 32 SC GRIP REMOTE CARTRIDGE ASSEMBLIES COMPLETE .
- 2020 32 27.5in & 29in SC 80-100 Grip Remote Cart Assy .
- 820-05-604-KIT 2020 32 SC Grip Remote Topcap Assy
- 820-03-616-KIT 2020 Grip Remote Compression Valving
- 820-03-587-KIT 2019 32 SC GRIP DAMPER SHAFT ASSY
- 820-03-525-KIT 2019 Grip, All, Bearing Housing Assy
- 820-03-458-KIT 2017 Grip Rebound Piston Assy, Short Travel
- 820-03-456-KIT 2017 Grip Rebound Valving, Short Travel
2021 32 SC FLOAT NA2
- 2021 32 SC FLOAT NA2 AIR SPRING ASSEMBLIES .
- 2021 32 SC FLOAT NA2 AIR SHAFT ASSEMBLIES .
- 820-05-417-KIT Topcap Assy, 2018 FLOAT LC NA 2, 32 Black SC
- 820-02-531-KIT Neg Plate Subassembly, 2019 FLOAT LC NA 2, 32 SC, 1.132 Bore, Aluminum
NOTE: Parts without part numbers listed are not available individually and must be ordered as part of a complete assembly or "-KIT". Please order the "-KIT" part number listed at the bottom right corner of the drawing in which a desired individual part is shown.











































































