PARTS & DRAWINGS
32mm Part Information
New for 2021:
| New Decals | New design on all models |
| New Lowers | Shiny Black Lowers are new for 2021 |
| New Axle | Axle with 4mm adjuster. This was the only change on the lower assemblies. |
| Damper Topcap Assemblies | MY21 Damper Topcap Assemblies do not include Topcap Interface Parts. Please order the appropriate Interface Parts Kit separately. |
Maintenance:
| Service Interval | Full Service 125 Hours |
| 803-01-320 | Seal Kit: MY19+ 32, 34, 36, 38, 40 GRIP Cartridge Rebuild |
| 803-00-962 | Seal Kit: 32 FLOAT NA2 Rebuild |
| 803-00-944 | Kit: Dust Wiper, Forx, 32mm, Low Friction, No Flange |
| 398-00-770 | Tooling: Guided Fork Seal Driver, One Piece Seal/Wiper, 32 |
| 398-00-681 | 32 Damper-side and ALL 32-34-36-38-40 Spring-side Removal Tool |
| 803-01-324 | Kit: Tooling: 2019 Clamps, Grip Damper, Body and Shaft |
Air Spring Tuning:
| 234-04-811 | Volume Spacer, FLOAT NA 2, 32 |
Oils:
| Application | Description | Part # |
| All Dampers Grip | Oil: Suspension Fluid, 5wt, Teflon Infused, 1.0 US Quart | 025-03-023 |
| All non-GRIP bath oil and FLOAT NA2 Air Chamber | Oil: AM, FOX 20 WT Gold, T22238, 32 oz | 025-03-072 |
| Bath Oil Application | Bath Oil Volume |
| 32 GRIP Damper-Side | 40cc (5wt FOX Teflon Infused Oil) |
| 32 RHYTHM GRIP Damper-Side | 30cc (5wt FOX Teflon Infused Oil) |
| 32 Float 80-120 Air-Side | 25cc (FOX 20wt Gold Oil) |
| 32 RHYTHM 100-120 Air-Side | 10cc (FOX 20wt Gold Oil) |
| 32 Float 130-150 Air-Side | 10cc (FOX 20wt Gold Oil) |
| All Float NA2 and RHYTHM Air Chamber | 3cc (FOX 20wt Gold Oil) |
Remotes:
| Part | Description |
| 820-07-150-KIT | Lever Housing Assy: 2018 Remote Lockout, 2 Position, Dual Pull |
| 820-07-151-KIT | Lever Housing Assy: 2018 Remote Lockout, 2 Position, Single Pull |
CSUs:
| Part Number | Description |
| 820-11-931-KIT | Service Set: 2017 32 26in 130-150, 27.5in 110-150, and 29in 110-130 Black Ano Matte Black 1-1/8 CSU |
| 820-12-014-KIT | Service Set: 2018 32 Rhythm 27.5 & 29in 15x110QR 44 OS CSU Matte Black |
| 820-12-015-KIT | Service Set: 2018 32 Rhythm 27.5 & 29in 15x110QR 44 OS CSU Shiny Black |
| 820-12-026-KIT | Service Set: 2018 32 Rhythm 29in 15x110QR 51 OS CSU Matte Black |
| 820-12-027-KIT | Service Set: 2018 32 Rhythm 29in 15x110QR 51 OS CSU Shiny Black |
| 820-12-172-KIT | Service Set: 2019 32 29in 130 15x110QR Black Ano Shiny Black 1.5T 14mm OS CSU |
| 820-12-173-KIT | Service Set: 2019 32 29in 130 15x110QR Black Ano Matte Black 1.5T 21mm OS CSU |
| 820-12-175-KIT | Service Set: 2019 32 29in 130 15x110QR Black Ano Shiny Black 1.5T 21mm OS CSU |
Lower Legs:
| Part Number | Description |
| 820-10-693-KIT | Service Set: 2018 32 27.5in 80-150 Matte Blk 15QR Lower Assy, P-S |
| 820-10-706-KIT | Service Set: 2018 32 29in 80-100 Matte Blk 9mm With Spacer Lower Assy, P-S |
| 820-10-747-KIT | Service Set: 2018 32 29in 110-130 Matte Black 15QRx100 With Spacer Lower Assy, P-S |
| 820-20-092-KIT | Service Set: 2021 Rhythm 32 27.5in 80-120 Matte Black 15x110QR Lower Assy |
| 820-20-093-KIT | Service Set: 2021 Rhythm 32 27.5in 80-120 Shiny Black 15x110QR Lower Assy |
| 820-20-094-KIT | Service Set: 2021 32 29in 80-130 15x110 QR Fox Matte Blk Lower Leg Assy, P-S & Rhythm |
| 820-20-096-KIT | Service Set: 2021 32 29in 80-130 15x110 QR Fox Shiny Black Lower Leg Assy, P-S & Rhythm |
Axles:
| Part | Description |
| 820-09-063-KIT | Service Set: 2020 FOX-Marzocchi 15x110 QR Adjust Axle Assembly |
| 820-09-014-KIT | Axle Assembly, 2016 15 x 100 QR, Factory and Performance, Black Ano |
| 820-09-018-KIT | Axle Assembly: 15 X 100mm Kabolt, Black Ano |
| 820-09-019-KIT | Axle Assembly: 15 X 110mm Kabolt, Black Ano |
| 820-09-022-KIT | Axle Assembly: 15 X 100mm Kabolt, Orange Ano |
| 820-09-023-KIT | Axle Assembly: 15 X 110mm Kabolt, Orange Ano |
Lower Leg Small Parts:
| Part | Description |
| 803-00-370 | Service Set: 15QR Hardware |
| 019-02-008 | Fastener, Custom: 09 15QR Axle Nut, 8º Chamfer |
| 026-03-009 | Mounting Hardware, Axle Nut Hold-Down, 15QR |
| 241-02-040 | Fastener, Custom: Screw [M4 X 10] FHCS, Black Zinc, Patchlock |
Decals:
| Part | Description |
| 803-01-506 | Decal Kit: 2021, 32, P-S, Gray Logo, Matte Black Fork |
| 803-01-507 | Decal Kit: 2021, 32, Rhythm, Gray Logo, Rhythm Fork |
Complete Cartridges:
| Part Number | Description |
| 820-18-097-KIT | Service Set: 2019 32 27.5 80-120, Grip Cart Assy Complete |
| 820-18-099-KIT | Service Set: 2019 32 29 80-120, Grip Cart Assy Complete |
| 820-18-101-KIT | Service Set: 2019 32 29 80-120, 15X110 Grip Cart Assy Complete |
| 820-18-107-KIT | Service Set: 2019 32 Rhythm 29 80-120, QR9 & QR15X100, Grip Cart Assy Complete |
| 820-18-179-KIT | Service Set: 2020 32 Rhythm 27.5 & 29 80-120, QR15X110, Grip PTU Remote Cart Assy Complete |
| 820-18-259-KIT | Service Set: 2020 32 29 80-120, 15X110 Grip Push-Lock Remote Cart Assy Complete |
| 820-18-264-KIT | Service Set: 2020 32 Rhythm 27.5 & 29 80-120, QR15X110, Grip Push-Lock Remote Cart Assy Complete |
Cartridge Topcap Assemblies:
| Part | Description |
| 820-05-520-KIT | Service Set: 2019 32 Grip Damper, Topcap Assy |
| 820-05-605-KIT | Service Set: 2020 32, All, Grip Remote, Topcap Assy |
Topcap Interface Parts:
| Part | Description |
| 820-05-460-KIT | Service Set: 2018 Grip P-S 32 Topcap Interface Parts |
| 820-05-461-KIT | Service Set: 2018 Grip 32 Rhythm Topcap Interface Parts |
| 820-05-611-KIT | Service Set: 2020 Grip Push-Lock Remote, Topcap Interface Parts |
Bottom Stud Interface Parts:
| Part | Description |
| 820-05-326-KIT | Service Set: 2017 34 29in Grip Bottom Stud Interface Parts |
| 820-05-374-KIT | 2017 Grip Bottom Stud Interface Parts |
FLOAT NA2 Air Shaft Assemblies:
| Part | Description |
| 820-02-416-KIT | Service Set: Air Shaft Assy, 2018, 32, 26in & 27.5 130mm, FLOAT LC NA 2, 1.110 Bore |
| 820-02-417-KIT | Air Shaft Assy, 2018, 32, 26in & 27.5 140mm, FLOAT LC NA 2, 1.110 Bore |
| 820-02-422-KIT | Air Shaft Assy, 2018, 32, 26in & 27.5in 100mm, FLOAT LC NA 2, 1.110 Bore |
| 820-02-424-KIT | Air Shaft Assy, 2018, 32, 26in & 27.5in 120mm, 29in 90mm, FLOAT LC NA 2, 1.110 Bore |
| 820-02-425-KIT | Air Shaft Assy, 2018, 32, 29in 100mm, FLOAT LC NA 2, 1.110 Bore |
| 820-02-427-KIT | Air Shaft Assy, 2018, 32, 29in 120mm, FLOAT LC NA 2, 1.110 Bore |
| 820-02-407-KIT | Air Shaft Assy, FLOAT, 2018 32 Rhythm 100 |
| 820-02-406-KIT | Service Set: Air Shaft Assy, FLOAT, 2018 32 Rhythm 110 |
| 820-02-404-KIT | Air Shaft Assy, FLOAT, 2018 32 Rhythm 120 |
FLOAT NA2 Topcaps:
| Part | Description |
| 820-05-418-KIT | Topcap Assy, 2018, FLOAT LC NA 2, 32, Black |
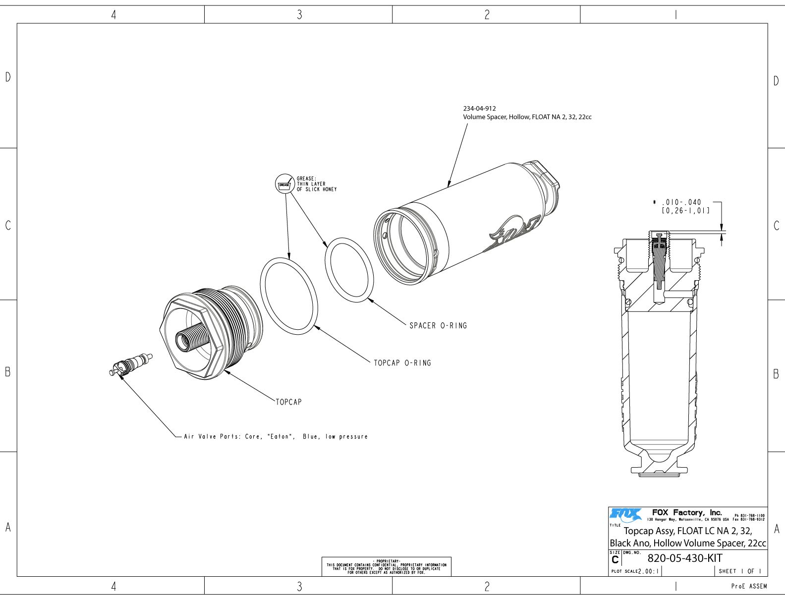
| 820-05-430-KIT | Topcap Assy, FLOAT LC NA 2, 32, Black Ano, Hollow Volume Spacer, 22cc |
| 820-05-431-KIT | Service Set: Topcap Assy, FLOAT LC NA 2, 32, Black Ano, Hollow Volume Spacer, 33cc |
FLOAT NA2 Neg Plate Subassemblies:
| Part | Description |
| 820-02-411-KIT | Neg Plate Subassembly, 2018 FLOAT LC NA 2, 32, Long Travel, 1.110 Bore |
| 820-02-409-KIT | Neg Plate Subassembly, 2018 FLOAT LC NA 2, 32, Short Travel, 1.110 Bore |
| 820-02-405-KIT | Neg Plate Subassembly, FLOAT, 2018 32 Rhythm |
2021 32 GRIP
- 2021 32 GRIP CARTRIDGE ASSEMBLIES COMPLETE .
- 2021 32 GRIP CARTRIDGE ASSEMBLIES .
- 820-05-520-KIT 2019 32 Grip Damper, Topcap Assy
- 820-03-331-KIT Compression Valving, Grip Damper
- 2021 32 GRIP DAMPER SHAFT ASSEMBLIES .
- 820-03-525-KIT 2019 Grip, All, Bearing Housing Assy
- 820-03-458-KIT 2017 Grip Rebound Piston Assy, Short Travel
- 820-03-456-KIT 2017 Grip Rebound Valving, Short Travel
2021 32 RHYTHM GRIP
- 820-18-107-KIT 2019 32 Rhythm 29 80-120, QR9 & QR15X100, Grip Cart Assy Complete
- 2019 32 Rhythm 29 80-120 QR9 & QR15X100, Grip Cart Assy .
- 820-05-520-KIT 2019 32 Grip Damper, Topcap Assy
- 820-03-331-KIT Compression Valving, Grip Damper
- 820-03-581-KIT 2019 32 27.5 80-120 Grip Damper Shaft Assy
- 820-03-525-KIT 2019 Grip, All, Bearing Housing Assy
- 820-03-458-KIT 2017 Grip Rebound Piston Assy, Short Travel
- 820-03-456-KIT 2017 Grip Rebound Valving, Short Travel
2021 32 RHYTHM GRIP REMOTE
- 2021 32 GRIP/RHYTHM REMOTE CARTRIDGE ASSEMBLIES COMPLETE .
- 2021 GRIP REMOTE CARTRIDGE ASSEMBLIES .
- 820-05-605-KIT 2020 32 (NON-SC) GRIP REMOTE TOPCAP ASSY
- 820-03-616-KIT 2020 Grip Remote Compression Valving
- 820-03-581-KIT 2019 32 27.5 80-120 Grip Damper Shaft Assy
- 820-03-525-KIT 2019 Grip, All, Bearing Housing Assy
- 820-03-458-KIT 2017 Grip Rebound Piston Assy, Short Travel
- 820-03-456-KIT 2017 Grip Rebound Valving, Short Travel
2021 32 FLOAT NA2
- 2021 32 FLOAT NA2 AIR SPRING ASSEMBLIES .
- 2021 32 FLOAT NA2 AIR SHAFT ASSEMBLIES .
- 820-05-430-KIT TOPCAP ASSY, FLOAT NA2 32 BLACK ANO HOLLOW VOLUME SPACER 22CC
- 2021 32 FLOAT NA2 NEG PLATE SUBASSEMBLIES .
2021 32 RHYTHM FLOAT NA2
- 2021 32 FLOAT NA2 RHYTHM AIR SPRING ASSEMBLIES .
- 2021 32 FLOAT NA2 RHYTHM AIR SHAFT ASSEMBLIES .
- 820-05-418-KIT Topcap Assy, 2018 FLOAT LC NA2, 32, Black
- 820-02-405-KIT Neg Plate Subassembly, FLOAT, 2018 32 Rhythm
NOTE: Parts without part numbers listed are not available individually and must be ordered as part of a complete assembly or "-KIT". Please order the "-KIT" part number listed at the bottom right corner of the drawing in which a desired individual part is shown.































































