PARTS & DRAWINGS
32mm Part Information
New for 2020:
| New Grip remote Top Cap Interface Parts for 2020 | Remote GRIP Interface Parts not backwards compatible |
| New Top Cap Assemblies | FIT4 and GRIP Remote Top Cap Assemblies |
| New Grip Damper Seal Kit | Grip Dampers have new sealhead and new IFP o-ring |
| New FIT4 and GRIP Compression Tunes | New Valving Stacks |
| New 8mm Shaft | FIT4 Rebound Shaft Assembly |
| New Rebound Piston Assy | New Valving Stacks |
Continuing Technologies:
| FIT4 damper tunes | Old FIT4 tune still supported |
| Talas 5 | Talas 5 sytems still supported |
| FIT4 Remote Conversions |
Non-remote FIT4 cartridges can be upgraded to remote via the installation of a complete FIT4 Remote U-Cup Topcap Assembly. This ensures the optimized topcap configuration with friction reducing features for the most reliable remote installation possible. FOX recommends PTU remote systems over PTL systems as they are optimized for reliability and reduced lever force. The FIT4 topcap "butterfly" valve must be matched to the appropriate lever/topcap interface parts. Installation of FIT4 Remote Topcap Interface Parts on a FIT4 3 Pos or 3 Pos Adj cartridge does not convert the cartridge to the optimized remote configuration even when used with a 3 position remote lever as the standard FIT4 3 Pos or 3 Pos Adj topcap does not contain the U-Cup that optimized remote topcap friction. |
Maintenance Information:
| Service Interval | Full Service 125 Hours |
| 803-01-431 | Seal Kit: MY20+ ALL 32/34 Non-SC 8mm Shaft FIT4 Cartridge Rebuild |
| 803-00-962 | Seal Kit: 32 FLOAT NA2 Rebuild |
| 803-00-944 | Kit: Dust Wiper, Forx, 32mm, Low Friction, No Flange |
| 398-00-770 | Tooling: Guided Fork Seal Driver, One Piece Seal/Wiper, 32 |
| 398-00-681 | 2002-017 32 Damper-side and ALL 32-34-36-40 Spring-side Removal Tool |
| 398-00-682 | 2005-017 34-36-40 Damper-side Removal Tool |
| 803-00-147 | Kit: Shaft Clamps, 07 FORX, Set #2 (32 X Body, 36, 40 Forx) |
| 803-00-084 | Kit: Shaft Clamps, FORX, Set #1 (32mm Forx) |
| 803-00-276 | Service Kit: Hand Bleed, Syringe and Tube, 2010 32 Fit RL-RLC Cartridge |
| 803-01-150 | Kit: Tooling: Clamps, Grip Damper, Body and Shaft |
| 803-01-320 | Seal Kit: MY19+ 32, 34, 36, 40 GRIP Cartridge Rebuild |
| 803-01-209 | Kit: Tooling: 2018 FIT4 Remote Topcap Interface Part Installation Set |
| 398-00-760 | Service Tool: Bullet, Selector Shaft, Remote, U-Cup |
Oil Information:
| Application | Description | Part # |
| All Dampers Grip & FIT 2019 | Oil: Suspension Fluid, 5wt, Teflon Infused, 1.0 US Quart | 025-03-023 |
| All non-GRIP bath oil and FLOAT NA2 Air Chamber | Oil: AM, FOX Bath Oil [32 oz.], 20 WT Gold | 025-03-010 |
| Oil: AM, FOX Bath Oil [250 ml.], 20 WT Gold | 025-03-015 |
| Bath Oil Application | Bath Oil Volume |
| 32 GRIP Damper-Side | 40cc (5wt FOX Teflon Infused Oil) |
| 32 RHYTHM GRIP Damper-Side | 30cc (5wt FOX Teflon Infused Oil) |
| 32 FIT4 Damper-Side | 15cc (FOX 20wt Gold Oil) |
| 32 Float 80-120 Air-Side | 25cc (FOX 20wt Gold Oil) |
| 32 RHYTHM 100-120 Air-Side | 10cc (FOX 20wt Gold Oil) |
| 32 Float 130-150 Air-Side | 10cc (FOX 20wt Gold Oil) |
| All Float NA2 and RHYTHM Air Chamber | 3cc (FOX 20wt Gold Oil) |
Remote Information:
| Remote Conversions available for 2016+ Fit4 |
Non-remote FIT4 cartridges can be upgraded to remote via the installation of a complete FIT4 Remote U-Cup Topcap Assembly. This ensures the optimized topcap configuration with friction reducing features for the most reliable remote installation possible. FOX recommends PTU remote systems over PTL systems as they are optimized for reliability and reduced lever force. The FIT4 topcap "butterfly" valve must be matched to the appropriate lever/topcap interface parts. Installation of FIT4 Remote Topcap Interface Parts on a FIT4 3 Pos or 3 Pos Adj cartridge does not convert the cartridge to the optimized remote configuration even when used with a 3 position remote lever as the standard FIT4 3 Pos or 3 Pos Adj topcap does not contain the U-Cup that optimized remote topcap friction. |
| Part | Description |
| 820-05-445-KIT | Service Set: 2018 Grip Remote, Topcap Interface Parts |
| 820-05-455-KIT | Service Set: 2018 FIT4 TopCap Interface Parts F-S Remote, U-Cup, Push-Unlock |
| 820-05-456-KIT | Service Set: 2018 FIT4 TopCap Interface Parts F-S Remote, U-Cup, Push-Lock |
| 820-05-473-KIT | Service Set: 2018 FIT4 TopCap Interface Parts P-S Remote, U-Cup, Push-Unlock |
| 820-05-474-KIT | Service Set: 2018 FIT4 TopCap Interface Parts P-S Remote, U-Cup, Push-Lock |
| 820-07-150-KIT | Lever Housing Assy: 2018 Remote Lockout, 2 Position, Dual Pull |
| 820-07-151-KIT | Lever Housing Assy: 2018 Remote Lockout, 2 Position, Single Pull |
32mm Part Information
CSU Assemblies:
| Part Number | Description |
| 820-11-931-KIT | Service Set: 2017 32 26in 130-150, 27.5in 110-150, and 29in 110-130 Black Ano Matte Black 1-1/8 CSU |
| 820-12-014-KIT | Service Set: 2018 32 Rhythm 27.5 & 29in 15x110QR 44 OS CSU Matte Black |
| 820-12-017-KIT | Service Set: 2018 32 Rhythm 27.5in QR9 and 44 OS CSU Matte Black |
| 820-12-023-KIT | Service Set: 2018 32 Rhythm 29in QR9 51 OS CSU Matte Black |
| 820-12-026-KIT | Service Set: 2018 32 Rhythm 29in 15x110QR 51 OS CSU Matte Black |
| 820-12-173-KIT | Service Set: 2019 32 29in 130 15x110QR Black Ano Matte Black 1.5T 21mm OS CSU |
| 820-12-176-KIT | Service Set: 2019 32 26/27.5in 150 and 29in 130 15x100QR Kashima Matte Black 1.5T 20mm OS CSU |
| 820-12-181-KIT | Service Set: 2019 32 26/27.5in 150 and 29in 130 15x100QR Black Ano Matte Black 1.5T 20mm OS CSU |
| 820-12-184-KIT | Service Set: 2019 32 29in 130 15x100QR Black Ano Matte Black 1.5T 27mm OS CSU |
Lower Leg Assemblies:
| Part Number | Description |
| 820-10-359-KIT | Service Set: 2017 32 27.5in 80-150 Matte Black 15QR Lower Assy |
| 820-10-584-KIT | Service Set: 2018 Rhythm 32 27.5in 80-120 Matte Black 15x110QR Lower Assy |
| 820-10-590-KIT | Service Set: 2018 Rhythm 32 29in 80-120 Matte Black 9mm Lower Assy |
| 820-10-745-KIT | Service Set: 2018 32 26in 130-150 Matte Black 9mm Lower Assy, P-S |
| 820-10-690-KIT | Service Set: 2018 32 26in 130-150 Matte Blk 15QR Lower Assy, P-S |
| 820-10-708-KIT | Service Set: 2018 32 29in 80-130 15x110 QR Fox Matte Blk Lower Leg Assy, P-S & Rhythm |
| 820-10-778-KIT | Service Set: 2018 32 29in 80-130 15x110 Kabolt, Blk, Fox Matte Blk Lower Leg Assy, P-S & Rhythm |
| 820-10-696-KIT | Service Set: 2018 32 27.5in 80-150 Matte Blk 9mm Lower Assy, P-S & Rhythm |
Axle Assemblies:
| Part | Description |
| 820-09-013-KIT | Axle Assembly, 2016 15x110 QR, Factory and Performance, Black Ano |
| 820-09-014-KIT | Axle Assembly, 2016 15 x 100 QR, Factory and Performance, Black Ano |
| 820-09-018-KIT | Axle Assembly: 15 X 100mm Kabolt, Black Ano |
| 820-09-019-KIT | Axle Assembly: 15 X 110mm Kabolt, Black Ano |
| 820-09-022-KIT | Axle Assembly: 15 X 100mm Kabolt, Orange Ano |
| 820-09-023-KIT | Axle Assembly: 15 X 110mm Kabolt, Orange Ano |
Lower Leg Small Parts:
| Part | Description |
| 803-00-370 | Service Set: 15QR Hardware (Contains: Axle nut, hold down, and set screw) |
| 019-02-008 | Fastener, Custom: 09 15QR Axle Nut, 8º Chamfer |
| 026-03-009 | Mounting Hardware, Axle Nut Hold-Down, 15QR |
| 241-02-040 | Fastener, Custom: Screw [M4 X 10] FHCS, Black Zinc, Patchlock |
Decal Kits:
| Part | Description |
| 803-01-265 | Decal Kit: 2018, 32, F-S, Orange Logo, Matte Black Background |
| 803-01-267 | Decal Kit: 2018, 32, P-S, Gray Logo, Matte Black Background |
| 803-01-389 | Decal Kit: 2020, 32, Rhythm, Gray Logo, Matte Black Background |
Complete Cartridges:
| Part Number | Description |
| 820-18-096-KIT | Service Set: 2019 32 27.5 130-150, Grip Cart Assy Complete |
| 820-18-097-KIT | Service Set: 2019 32 27.5 80-120, Grip Cart Assy Complete |
| 820-18-099-KIT | Service Set: 2019 32 29 80-120, Grip Cart Assy Complete |
| 820-18-101-KIT | Service Set: 2019 32 29 80-120, 15X110 Grip Cart Assy Complete |
| 820-18-107-KIT | Service Set: 2019 32 Rhythm 29 80-120, QR9 & QR15X100, Grip Cart Assy Complete |
| 820-18-206-KIT | Service Set: 2020 32 ALL Non-SC Except 29 Boost, 80-150, FIT4 F-S, 3 Pos Adj Cart Assy Complete |
| 820-18-207-KIT | Service Set: 2020 32 ALL Non-SC Except 29 Boost, 80-150, FIT4 F-S, Remote, 2 Pos Adj, Push-Lock Cart Assy Complete |
| 820-18-208-KIT | Service Set: 2020 32 ALL Non-SC Except 29 Boost, 80-150, FIT4 F-S, Remote, 2 Pos Adj, Push-Unlock Cart Assy Complete |
| 820-18-209-KIT | Service Set: 2020 32 ALL Non-SC Except 29 Boost, 80-150, FIT4 F-S, Remote, 3 Pos Adj Cart Assy Complete |
| 820-18-263-KIT | Service Set: 2020 32 Rhythm 27.5 80-120, QR9, Grip Push-Lock Remote Cart Assy Complete |
| 820-18-264-KIT | Service Set: 2020 32 Rhythm 27.5 & 29 80-120, QR15X110, Grip Push-Lock Remote Cart Assy Complete |
| 820-18-265-KIT | Service Set: 2020 32 Rhythm 29 80-120, QR9, Grip Push-Lock Remote Cart Assy Complete |
Cartridge Topcap Assemblies:
| Part | Description |
| 820-05-520-KIT | Service Set: 2019 32 Grip Damper, Topcap Assy |
| 820-05-605-KIT | Service Set: 2020 32, All, Grip Remote, Topcap Assy |
Damper Topcap Interface Parts:
| Part | Description |
| 820-05-330-KIT | 2016 FIT4 TopCap Interface Parts F-S |
| 820-05-460-KIT | Service Set: 2018 Grip P-S 32 Topcap Interface Parts |
| 820-05-461-KIT | Service Set: 2018 Grip 32 Rhythm Topcap Interface Parts |
| 820-05-611-KIT | Service Set: 2020 Grip Push-Lock Remote, Topcap Interface Parts |
Remote Levers:
| Part | Desciption |
| 820-07-150 | 2018 Remote Lockout 2 Position Dual Pull |
| 820-07-151 | 2018 Remote Lockout 2 Position Single Pull |
Damper Bottom Stud Interface Parts:
| Part | Description |
| 820-05-334-KIT | 2016 FIT4 Bottom Stud Interface Parts 32 |
| 820-05-326-KIT | 2017 34 29in Grip Bottom Stud Interface Parts |
| 820-05-374-KIT | 2017 Grip Bottom Stud Interface Parts |
FLOAT NA2 Air Shaft Assemblies:
| Part | Description |
| 820-02-417-KIT | Air Shaft Assy, 2018, 32, 26in & 27.5 140mm, FLOAT LC NA 2, 1.110 Bore |
| 820-02-422-KIT | Air Shaft Assy, 2018, 32, 26in & 27.5in 100mm, FLOAT LC NA 2, 1.110 Bore |
| 820-02-424-KIT | Air Shaft Assy, 2018, 32, 26in & 27.5in 120mm, 29in 90mm, FLOAT LC NA 2, 1.110 Bore |
| 820-02-425-KIT | Air Shaft Assy, 2018, 32, 29in 100mm, FLOAT LC NA 2, 1.110 Bore |
| 820-02-427-KIT | Air Shaft Assy, 2018, 32, 29in 120mm, FLOAT LC NA 2, 1.110 Bore |
| 820-02-407-KIT | Air Shaft Assy, FLOAT, 2018 32 Rhythm 100 |
| 820-02-404-KIT | Air Shaft Assy, FLOAT, 2018 32 Rhythm 120 |
FLOAT NA2 Topcap Assemblies:
| Part | Description |
| 820-05-418-KIT | Topcap Assy, 2018, FLOAT LC NA 2, 32, Black |
| 820-05-430-KIT | Topcap Assy, FLOAT LC NA 2, 32, Black Ano, Hollow Volume Spacer, 22cc |
| 820-05-431-KIT | Topcap Assy, FLOAT LC NA 2, 32, Black Ano, Hollow Volume Spacer, 33cc |
FLOAT NA2 Neg Plate Subassemblies:
| Part | Description |
| 820-02-411-KIT | Neg Plate Subassembly, 2018 FLOAT LC NA 2, 32, Long Travel, 1.110 Bore |
| 820-02-409-KIT | Neg Plate Subassembly, 2018 FLOAT LC NA 2, 32, Short Travel, 1.110 Bore |
| 820-02-405-KIT | Neg Plate Subassembly, FLOAT, 2018 32 Rhythm |
2020 32 F-S FIT4 3 Pos Adj Cartridge Assembly Complete
- 820-18-206-KIT 2020 32 ALL Non-SC Except 29 Boost, 80-150 FIT4 F-S 3 Pos Adj Cart Assy Complete
- 2020 32 ALL Non-SC, 80-150 FIT4 F-S 3 Pos Adj Cart Assy .
- 820-05-565-KIT 2020 32 FIT4 F-S Topcap Assy, Black Ano
- 820-03-613-KIT 2020 FIT4 Compression Valving Assy, 8mm Shaft
- 820-03-610-KIT 2020 FIT4 Rebound Piston Assy, 8mm Shaft
- 820-03-608-KIT 2020 32 and 34 Non-SC FIT4 8mm, Bladder Assy
- 820-03-602-KIT 2020 32 ALL Non-SC FIT4 8mm Damper Shaft Assy
- 820-03-569-KIT Sealhead Assy 2019 FIT [8mm, M17.56] Trelleborg O-Ring
- 820-03-258-KIT 2017 FIT4 Lightweight Topcap Parts
2020 32 GRIP Cartridge Assemblies Complete
- 2019 32 Non-SC Grip Cartridge Assemblies Complete .
- 2019 32 Non-SC Grip Cartridge Assemblies .
- 2019 32 Non-SC Grip Damper Shaft Assemblies .
- 820-05-520-KIT 2019 32 Grip Damper, Topcap Assy
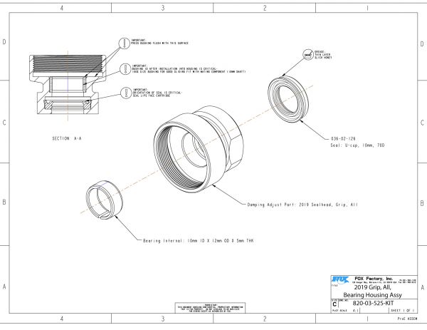
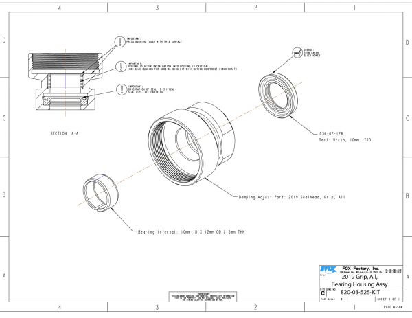
- 820-03-525-KIT 2019 Grip, All, Bearing Housing Assy
- 820-03-458-KIT 2017 Grip Rebound Piston Assy, Short Travel
- 820-03-457-KIT 2017 Grip Rebound Valving, Long Travel
- 820-03-456-KIT 2017 Grip Rebound Valving, Short Travel
- 820-03-331-KIT Compression Valving, Grip Damper
- 820-03-330-KIT 2017 Grip Rebound Piston Assy
2020 32 Rhythm GRIP Cartridge Assembly Complete
- 820-18-107-KIT 2019 32 Rhythm 29 80-120, QR9 & QR15X100, Grip Cart Assy Complete
- 2019 32 Rhythm 29 80-120 QR9 & QR15X100, Grip Cart Assy .
- 820-05-520-KIT 2019 32 Grip Damper, Topcap Assy
- 820-03-581-KIT 2019 32 27.5 80-120 Grip Damper Shaft Assy
- 820-03-525-KIT 2019 Grip, All, Bearing Housing Assy
- 820-03-458-KIT 2017 Grip Rebound Piston Assy, Short Travel
- 820-03-456-KIT 2017 Grip Rebound Valving, Short Travel
- 820-03-331-KIT Compression Valving, Grip Damper
2020 32 Rhythm GRIP Remote Cartridge Assemblies Complete
- 2020 32 Rhythm Grip Remote PTL Cartridge Assemblies Complete .
- 2020 32 Rhythm Grip Remote Cartridge Assemblies .
- 2019 32 Grip Damper Shaft Assemblies .
- 820-05-605-KIT 2020 32 ALL Grip Remote Topcap Assy
- 820-03-616-KIT 2020 Grip Remote Compression Valving
- 820-03-525-KIT 2019 Grip, All, Bearing Housing Assy
- 820-03-458-KIT 2017 Grip Rebound Piston Assy, Short Travel
- 820-03-457-KIT 2017 Grip Rebound Valving, Long Travel
- 820-03-456-KIT 2017 Grip Rebound Valving, Short Travel
- 820-03-330-KIT 2017 Grip Rebound Piston Assy
2020 32 FLOAT NA2 Air Spring Assemblies
2020 32 Rhythm FLOAT NA2 Air Spring Assemblies
- 2020 32 Rhythm FLOAT NA2 Air Spring Assemblies .
- 2020 32 Rhythm FLOAT NA2 Air Shaft Assemblies .
- 820-05-418-KIT Topcap Assy, 2018 FLOAT LC NA2, 32, Black
- 820-02-405-KIT Neg Plate Subassembly, FLOAT, 2018 32 Rhythm


















-Grip-Cartridge-Assemblies-Complete-m.jpg)
-Grip-Cartridge-Assemblies-Complete-t.jpg)
-Grip-Cartridge-Assemblies-m.jpg)
-Grip-Cartridge-Assemblies-t.jpg)
-Grip-Damper-Shaft-Assemblies-m.jpg)
-Grip-Damper-Shaft-Assemblies-t.jpg)

































































