PARTS & DRAWINGS
40mm Part Information
Continuing Technologies:
| RC2 Dampers | Old RC2 Dampers still supported |
| 40 29er Complete Fork | New 29in version of the 40 FLOAT |
| Lowers | 26in and 27.5in lowers are interchangeable |
| Upper Tube | Ano and Kashima upper tubes are interchangeable |
Maintenance Info:
| Service Interval | Full Service 125 hours |
| 803-00-946 | Kit: Dust Wiper, Forx, 40mm, Low Friction, No Flange |
| 803-00-964 | Seal Kit: 40 FLOAT NA2 Rebuild |
| 803-00-830 | Service Set: Tooling: 2014 RC2, Shaft Clamps |
| 803-01-320 | Seal Kit: MY19+ 32, 34, 36, 40 GRIP Cartridge Rebuild |
| 803-00-961 | Seal Kit: 36 & 40 FIT4 Cartridge Rebuild |
| 398-00-681 | 2002-017 32 Damper-side and ALL 32-34-36-40 Spring-side Removal Tool |
| 398-00-682 | 2005-017 34-36-40 Damper-side Removal Tool |
| 803-00-276 | Service Kit: 2010 RL-RLC Hand Bleeder (FOX FIT Bleeder Tool) |
| 398-00-371 | Tooling: Sealhead To Shaft Bullet, 10mm |
| 803-01-324 | *NEW*Tooling: 2019 Clamps, Grip Damper, Body and Shaft |
| 803-01-316 | *NEW*Seal Kit: F-S GRIP2 36 & 40 |
Oil Info:
| Application | Description | Part |
| All Grip and Grip 2 Dampers/Damper Side Bath Oil | Oil: Suspension Fluid, 5wt, Teflon Infused, 1.0 US Quart | 025-03-023 |
| NA2 Air Chamber/Float Side Bath Oil | Oil: AM, FOX Bath Oil [250 ml.], 20 WT Gold | 025-03-015 |
| Oil: AM, FOX Bath Oil [32 oz.], 20 WT Gold | 025-03-010 |
| Application | Oil Volumes |
| Damper Side Bath | 50cc (FOX 5wt. Teflon Infused Oil) |
| FLOAT NA2 Air Chamber | 6cc (FOX 20wt. Gold Oil) |
| FLOAT NA2 Bath | 35cc (FOX 20wt. Gold Oil) |
40mm Part Information
CSU Parts
| Part Number | Description |
| 820-11-330-KIT | Service Set: Fork Sub-Group: 2014 40, Lower Crown-Steerer |
| 820-11-343-KIT | Service Set: 2014 40 Flat Upper Crown, Small-Large, Integrated Stem |
| 820-12-084-KIT | Service Set: Fork Sub-Group: 2019 40 26-27.5-29in Direct Mount Drop-style Upper Crown Assy |
| 208-05-186 | Uppertube, Kashima, MP, 2019 40 29in Butted, Air, Coil and Damper side, Dimpled |
| 208-01-144 | Uppertube, Black Ano, 2016 40 Butted, Air, Coil and Damper side, Dimpled |
| 208-05-144 | Uppertube, Kashima, MP, 2016 40 Butted, Air, Coil and Damper side, Dimpled |
Lower Leg Assemblies
| Part Number | Description |
| 820-10-819-KIT | Service Set: 2019 40 29in 20x110 Boost Fox Matte Black 20mm Lower Assy |
| 820-10-306-KIT | 2017 40 27.5in Matte Blk 20mm Lower Assy |
| 820-10-304-KIT | 2017 40 26in Matte Blk 20mm Lower Assy |
| 820-10-820-KIT | Service Set: 2019 40 29in 20x110 Boost Fox Gloss White 20mm Lower Assy |
| 820-10-821-KIT | Service Set: 2019 40 29in 20x110 Boost Fox Shiny Black 20mm Lower Assy |
| 820-10-822-KIT | Service Set: 2019 40 29in 20x110 Boost Fox Shiny Orange 20mm Lower Assy |
| 820-10-934-KIT | Service Set: 2017 40 27.5in Shiny Orange 20mm Lower Assy |
Lower Leg Small Parts
| Part | Description |
| 234-04-442 | 2014 40 Axle Pinch Bar |
| 241-02-080 | Fastener, Custom: M5 X 18, Tapered Head SHCS, SST 410 |
| 290-90-162 | Stamping: Axle Slit Shim, 36-40 |
Decal Kits
| Part | Description |
| 803-01-288 | Decal Kit: 2019, 40, Factory 27.5/26 |
| 803-01-289 | Decal Kit: 2019, 40, Factory 29 |
| 803-01-346 | Decal Kit: 2019, 40, Factory 27.5/26, BLK/Ylw logo, for Shiny Orange Lowers |
| 803-01-347 | Decal Kit: 2019, 40, Factory 29, BLK/Ylw logo, for Shiny Orange Lowers |
Lower Leg Subassemblies
| Part | Description |
| 820-09-003-KIT | 2015 40 Air Release Button Assembly |
| 820-00-024-KIT | Axle Sub-Group: 40 Axle Assembly |
Complete Cartridges
| Part Number | Description |
| 820-18-029-KIT | Service Set: 2019 40 203, Grip F-S HSR / LSR / HSC / LSC Cart Assy Complete |
| 820-18-128-KIT | Service Set: 2019 40 27.5 & 29, FIT Grip Cart Assy Complete |
Cartridge Topcap Assemblies
| Part Number | Description |
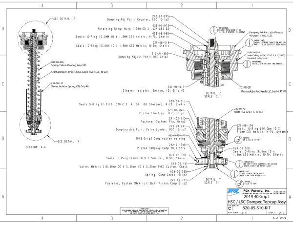
| 820-05-510-KIT | Service Set: 2019 40 Grip2 HSC / LSC Damper, Topcap Assy |
| 820-05-527-KIT | Service Set: 2019 40 FIT Grip Damper, Topcap Assy |
Damper Topcap Interface Parts
| Part Number | Description |
| 820-05-414-KIT | Service Set: 2019 Grip2 HSC / LSC Topcap Interface Parts |
| 820-05-528-KIT | Service Set: 2019 40 FIT Grip Topcap Interface Parts |
Damper Bottom Stud Interface Parts
| Part Number | Description |
| 820-05-501-KIT | Service Set: 2019 Grip2 HSR / LSR Bottom Stud Interface Parts |
| 820-05-518-KIT | Service Set: 2019 36 Grip Bottom Stud Interface Parts |
FLOAT NA2 Air Shaft Assemblies
| Part Number | Description |
| 820-02-520-KIT | Air Shaft Assy, 40, 203mm, FLOAT NA 2.1 |
| 820-02-521-KIT | Air Shaft Assy, 2019 40, 190mm, FLOAT NA 2.1 |
FLOAT NA2 Air Topcap Assembly
| Part | Description |
| 820-05-346-KIT | Topcap Assy, FLOAT NA 2, 40, Black |
2020 40 F-S Grip2 Cartridge Assembly
- 820-18-029-KIT 2019 40 203, Grip2 HSR / LSR / HSC / LSC Cart Assy Complete
- 2019 40 203, Grip2 HSR/LSR HSC/LSC Cart Assy .
- 820-05-510-KIT 2019 40 Grip2 HSC / LSC Damper, Topcap Assy
- 820-03-566-KIT 2019 40, Grip2 Damper Shaft Assy
- 820-03-528-KIT 2019 Grip2 HSR / LSR Rebound Piston Assy Long Travel
- 820-03-527-KIT 2019 Grip2 Mid Valving
- 820-03-526-KIT 2019 Grip2 Rebound Valving, Long Travel
- 820-03-525-KIT 2019 Grip, All, Bearing Housing Assy
2020 40 FIT Grip Cartridge Assembly
- 820-18-128-KIT 2019 40 27.5 & 29, FIT Grip Cart Assy Complete
- 2019 40 27.5 & 29 FIT Grip Cart Assy .
- 820-05-527-KIT 2019 40 FIT Grip Damper, Topcap Assy
- 820-03-588-KIT 2019 40 203, FIT Grip Damper Shaft Assy
- 820-03-525-KIT 2019 Grip, All, Bearing Housing Assy
- 820-03-457-KIT 2017 Grip Rebound Valving, Long Travel
- 820-03-331-KIT 2017 Grip Compression Valving
- 820-03-330-KIT 2017 Grip Rebound Piston Assy
2020 40 FLOAT NA2 Air Spring Assemblies
- 2019 40 FLOAT Air Spring Assemblies .
- 2019 40 FLOAT Air Shaft Assemblies .
- 820-05-346-KIT Topcap Assy, FLOAT NA2 40 Black
- 820-02-330-KIT Neg Plate Subassembly, FLOAT NA2, 40








































