OWNER'S MANUALS
Determine Which 2025-2027 Transfer NEO Seatpost Will Fit Your Bike
Follow the steps below to determine which FOX Transfer NEO Seatpost will work best for you and your bike frame. This guide can be a helpful tool for selecting the appropriate model of FOX Transfer NEO Seatpost before purchase. You will need your frame and original rigid seatpost to make this determination.
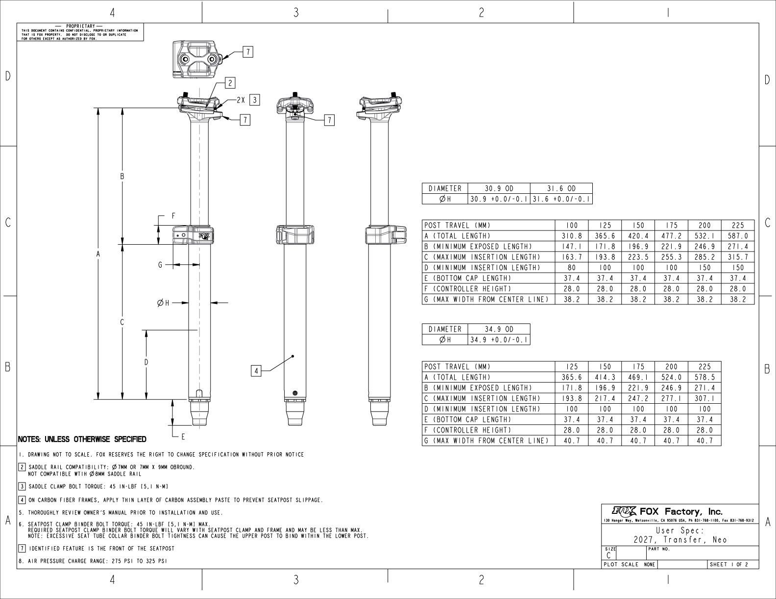
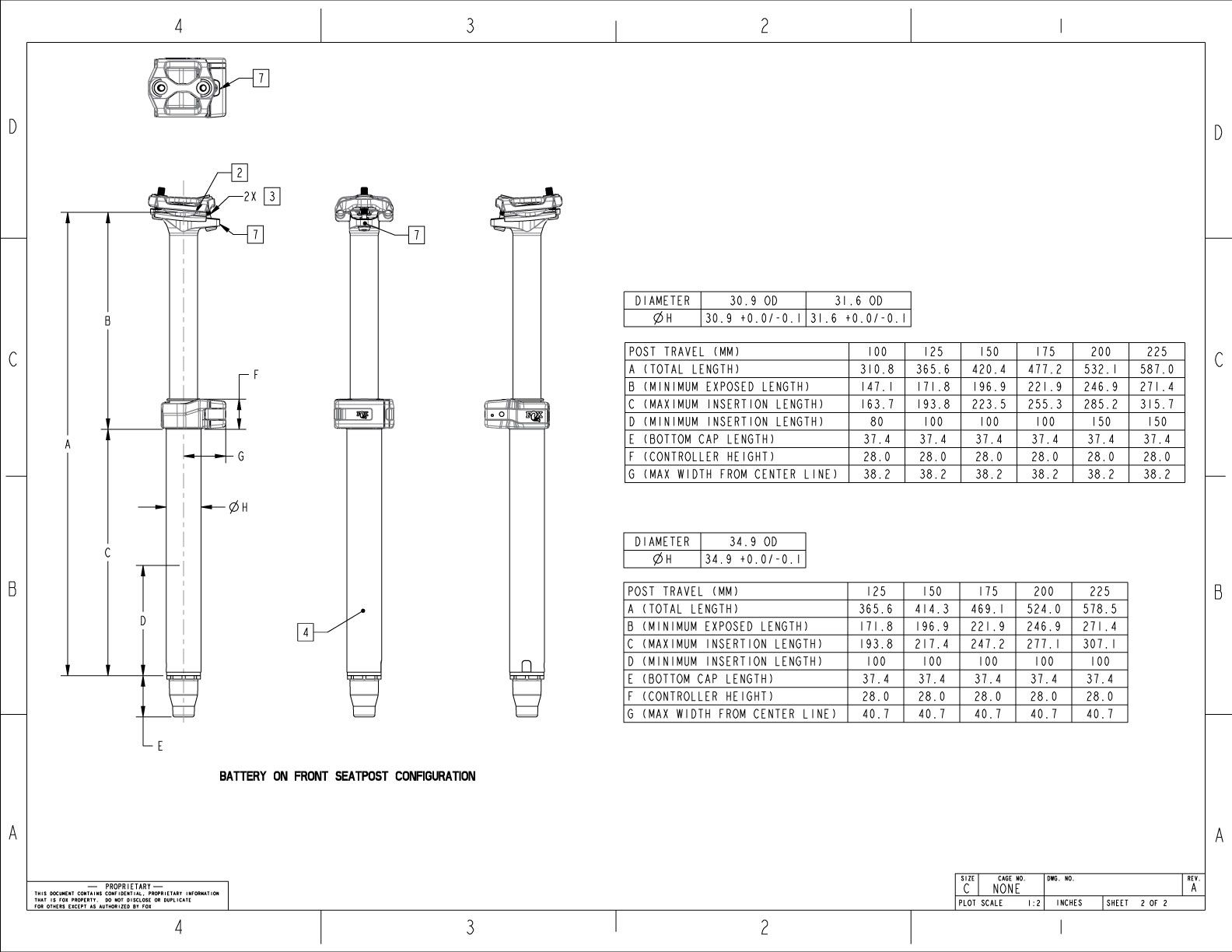
Complete User Specification Drawings for the FOX Transfer NEO Seatpost that contain additional information are shown at the bottom of this page.
Step 1
With your original seatpost set to your desired ride height, measure from the top of the seat collar to the center of the saddle rails. This will be Measurement "A".
Compare measurement "A" to the charts below to determine the maximum travel Transfer NEO Seatpost that will work for your application.
| Measurement A | Transfer Diameter/Travel |
| 147mm-231mm | 30.9mm/31.6mm 100mm |
| 172mm-266mm | 30.9mm/31.6mm 125mm |
| 197mm-320mm | 30.9mm/31.6mm 150mm |
| 222mm-377mm | 30.9mm/31.6mm 175mm |
| 247mm-382mm | 30.9mm/31.6mm 200mm |
| 271mm-437mm | 30.9mm/31.6mm 225mm |
| 172mm-266mm | 34.9mm 125mm |
| 197mm-314mm | 34.9mm 150mm |
| 222mm-369mm | 34.9mm 175mm |
| 247mm-424mm | 34.9mm 200mm |
| 271mm-478mm | 34.9mm 225mm |
If your measurement "A" does not fall within any of the tables in step 1 above, please contact FOX.
If your measurement "A" falls within the tables in step 1 above, continue below to check for proper insertion clearance within the frames seat tube.
Step 2
You will also need to check that the FOX Transfer Seatpost will fit deep enough into your frame without contacting any internal part within the frame.
Carefully insert your original seatpost fully into the frame until it contacts any obstruction. This could be a suspension pivot or a bend in the seat tube. Measure from the top of the seat collar to the center of the saddle rails again. This will be Measurement "B".
Step 3
Remove the original seatpost and measure from the bottom of the post to the center of the saddle rails. This will be measurement "C".
Subtract measurement "B" from measurement "C" to determine measurement "D".
Step 4
Add measurement "A" to measurement "D".
Compare "A" + "D" to the charts below to verify that at your desired saddle height, the FOX Transfer NEO will be able to insert deep enough into your frame without contacting any internal part within the frame.
Your "A" + "D" value must be equal to or greater than the number in the table below for that specific post to work with your frame.
| Measurement A+D | Transfer NEO Diameter/Travel |
| 348mm | 30.9mm/31.6mm 100mm |
| 403mm | 30.9mm/31.6mm 125mm |
| 457mm | 30.9mm/31.6mm 150mm |
| 514mm | 30.9mm/31.6mm 175mm |
| 519mm | 30.9mm/31.6mm 200mm |
| 624mm | 30.9mm/31.6mm 225mm |
| 403mm | 34.9mm 125mm |
| 451mm | 34.9mm 150mm |
| 506mm | 34.9mm 175mm |
| 561mm | 34.9mm 200mm |
| 616mm | 34.9mm 225mm |
If your measurement "A"+"D" does not fall within any of the tables in step 4 above, please contact FOX.










